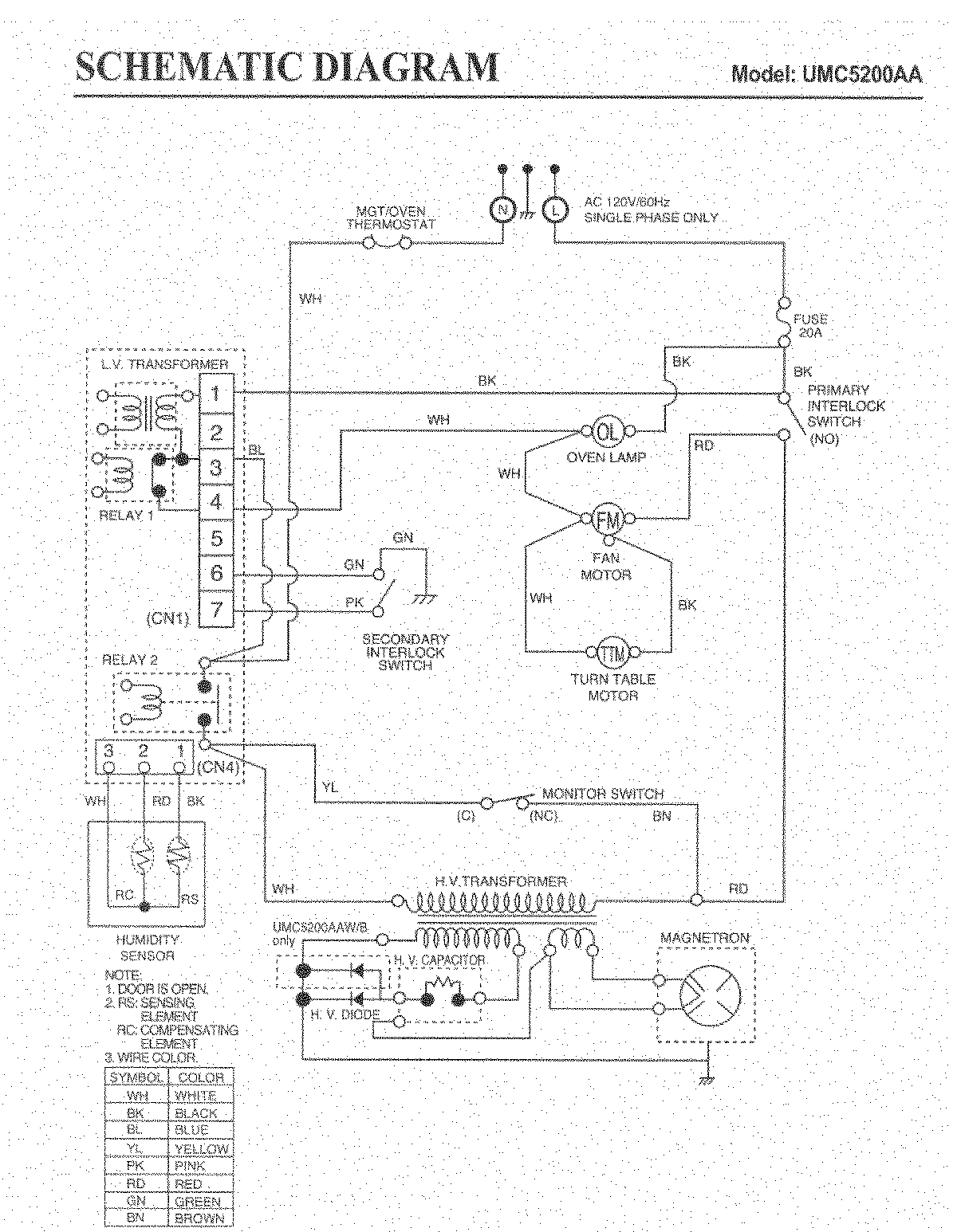
UMC5200AAW 07 – WIRING INFORMATIONadmin2025-04-26T08:51:14+00:00UMC5200AAW 07 – WIRING INFORMATION ProductsPositionProduct1MAY 15003477