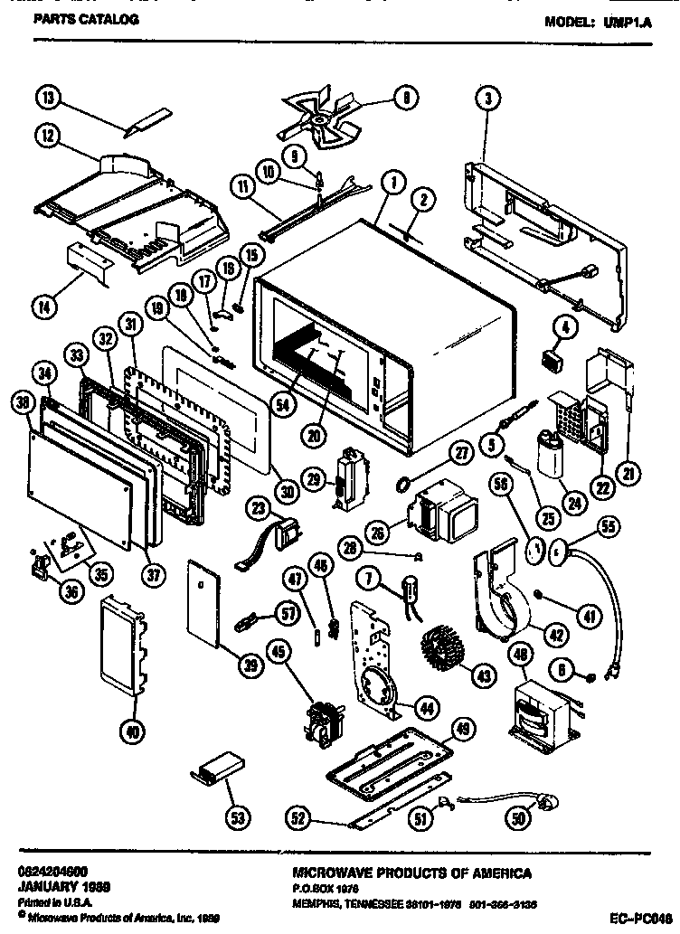
UMP1.A 01 – Page 1admin2025-04-26T08:50:59+00:00UMP1.A 01 – Page 1 ProductsPositionProductNIMAY M94D597NIMAY M95D23NIMAY M13D47NIMAY M95D5NIMAY M95D111MAY M77D1631MAY M2D6772MAY M4D1023MAY M1D8483MAY M1D7373MAY M20D3694MAY M1D5284MAY M5D3944MAY M1D9725MAY M3D845MAY M1D7636MAY M5D3697MAY M10D908MAY M35D479MAY M2D67810MAY M2D66411MAY M20D31911MAY M2D76512MAY M45D3813MAY M65D31114MAY M65D33415MAY M8D30816MAY M1D6016MAY M8D30717MAY M2D58318MAY M2D58419MAY M1D91619MAY M8D30920MAY M50D4420MAY M13D220MAY M2D79321MAY M20D25722MAY M20D25823MAY M60D17824MAY M10D12525MAY M8D30226MAY M57D3726MAY M1D61927MAY M2D29628MAY M1D66628MAY M4D10429MAY M14D26129MAY M1D88829MAY M2D57530MAY M51D6131MAY M70D10531MAY M1D90632MAY M51D6033MAY M55D2034MAY M70D20735MAY M2D67536MAY M11D9136MAY M1D90536MAY M7X737MAY M51D9438MAY M51D9538MAY M1D61239MAY M31R5439MAY M9D11940MAY M7X841MAY M1D89242MAY M1D48342MAY M65D30943MAY M35D5644BLWR BRKT KIT45MAY M1D73145MAY M12D10546MAY M1D32946MAY M1D36046MAY M4D3947MAY M4D4848MAY M60D14848MAY M1D47949MAY M53D8049MAY M1D47549MAY M1D62550MAY M1D36850MAY M26D6150MAY M1D8450MAY M1D5651MAY M2D79552MAY M2D45152MAY M1D22752MAY M20D35253MAY M27D49053MAY M5D35153MAY M5D35054MAY M20D33455MAY M2D80456MAY M2D80557MAY M8D12357MAY M1D957MAY M3D4757MAY M1D239