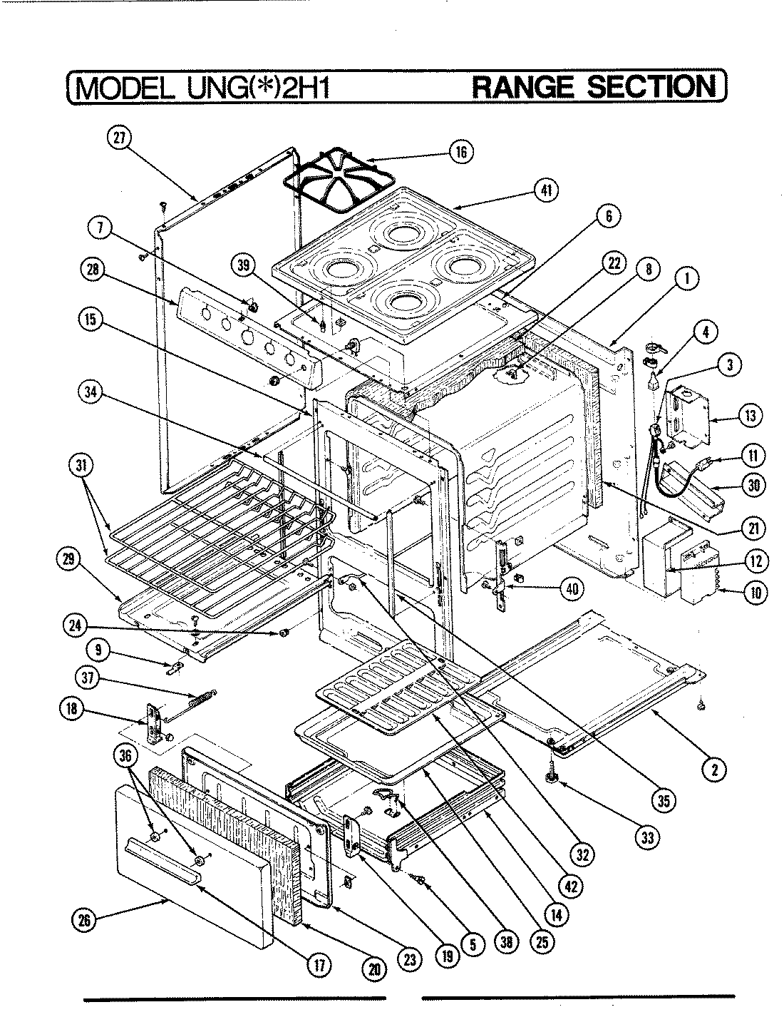
UNGA2HK1 01 – BODYadmin2025-04-26T08:52:03+00:00UNGA2HK1 01 – BODY ProductsPositionProduct1MAY 1G100087452MAY 1G102025653MAY 0B028005504MAY 0B028006505MAY 0B904907226MAY 1G101038537MAY Y0C040001268MAY OC001001999MAY 7G1200029910MAY Y0C0500079911MAY Y0C0300119912MAY 1G5320039913MAY 1G1310224514MAY 1G0630055315MAY 1G0910955316MAY Y0G0030091217MAY Y0H0302911118MAY 5G1110014519MAY 5G1110024520MAY 0I0201012421MAY 0I1003013222MAY 0I0901013223MAY 1G0300335324MAY Y0N1013155025MAY 5G0650025326MAY 1G020019MA27MAY 1G060027MW27MAY 1G060027MA28MAY 1G022312MA29MAY 1G4750415331MAY Y0R0100161132MAY 1G1230049932MAY 1G1230059933MAY Y0S0150012634MAY Y0S0064349935MAY Y0S0064359936MAY 0S0350099937MAY 0S0010459937MAY Y0S0100019938MAY 0S0200029939MAY Y0S0290012640MAY 7E1270602240MAY 7E1270592241MAY 1G080084MA41MAY 1G080084MW42MAY 5G06700153