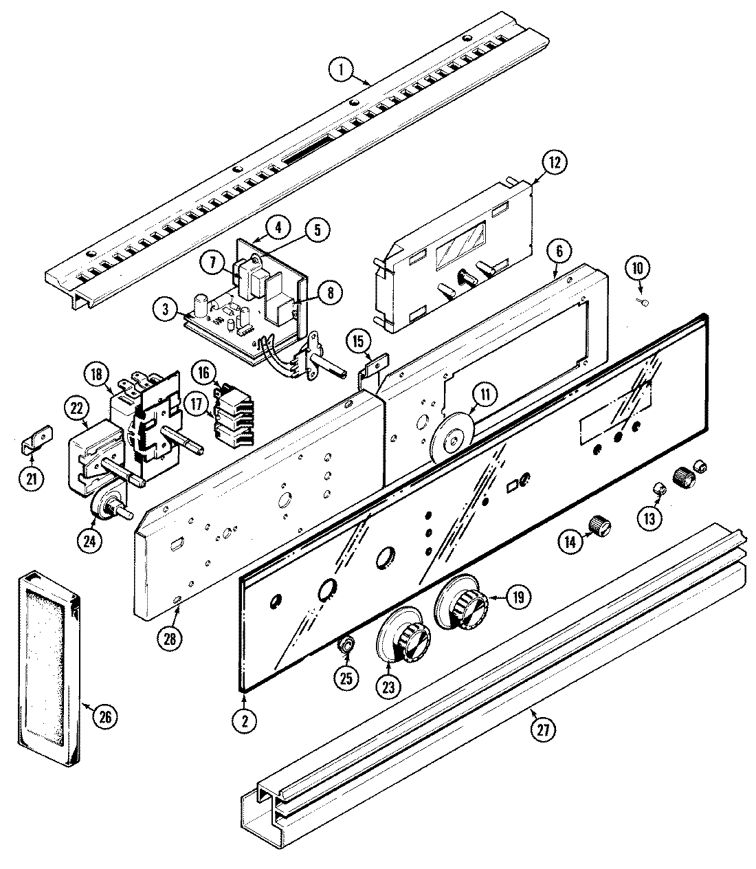
W146-C 04 – CONTROL PANELadmin2025-04-26T08:53:14+00:00W146-C 04 – CONTROL PANEL ProductsPositionProduct1MAY 7047141MAY 7042562MAY 7042623MAY 7042424MAY 7018445MAY 7008935MAY Y7005846MAY 7053367MAY 7016298MAY 7037659MAY 7037309MAY 7037299MAY 70163010PAD, SPACER11MAY 70431912MAY 70367912MAY 70367612MAY Y70370813MAY Y70423914MAY 70381014MAY Y70391015MAY 70175416MAY Y70239417MAY Y70239317MAY 70162718MAY 70308018MAY 70329018MAY 70309018MAY 70308918MAY 70337019MAY 70391720MAY Y70212421MAY 70160921WP12990527 Whirlpool Microwave Screw22MAY 70373822MAY 70307723MAY 70390124MAY 70055825MAY 70432326MAY 70425826MAY 70425727MAY 70425528MAY 70274628MAY 70533728MAY Y700630