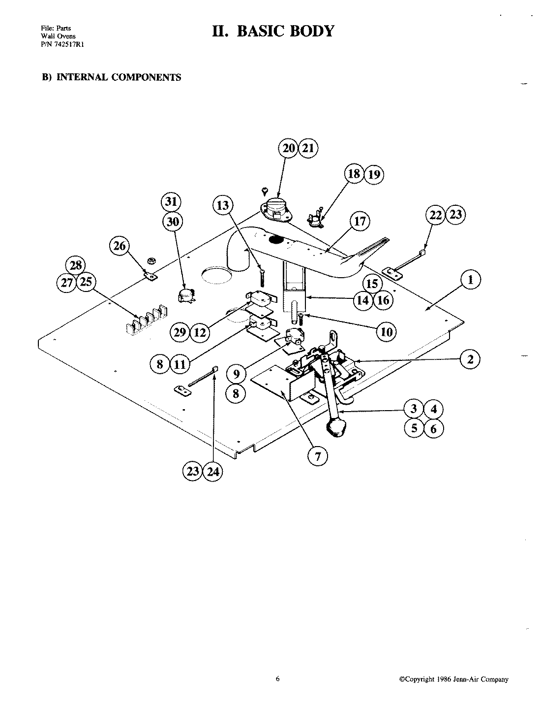
W181 02 – BASIC BODY-INTERNAL CONTROLSadmin2025-04-26T08:53:08+00:00W181 02 – BASIC BODY-INTERNAL CONTROLS ProductsPositionProduct1MAY 7037681MAY 7016742MAY 7028042MAY Y7033573MAY Y7016905MAY 7016716MAY 7016707MAY 7017068MAY Y7023509MAY Y70236010MAY 70238011MAY 70280512MAY 70280613MAY 70280714MAY Y70252614MAY 70168814MAY 70168514MAY 70330115WP12990527 Whirlpool Microwave Screw16MAY Y70168617MAY 70279518MAY Y70275019MAY Y70717220MAY 70280321MAY Y70069922MAY Y70210523MAY 70167924MAY 70167825MAY Y70228426MAY Y70271127MAY 70716128MAY 71206728MAY 70281329MAY 70326429MAY 70326530MAY 70168731MAY Y71595731MAY 707365