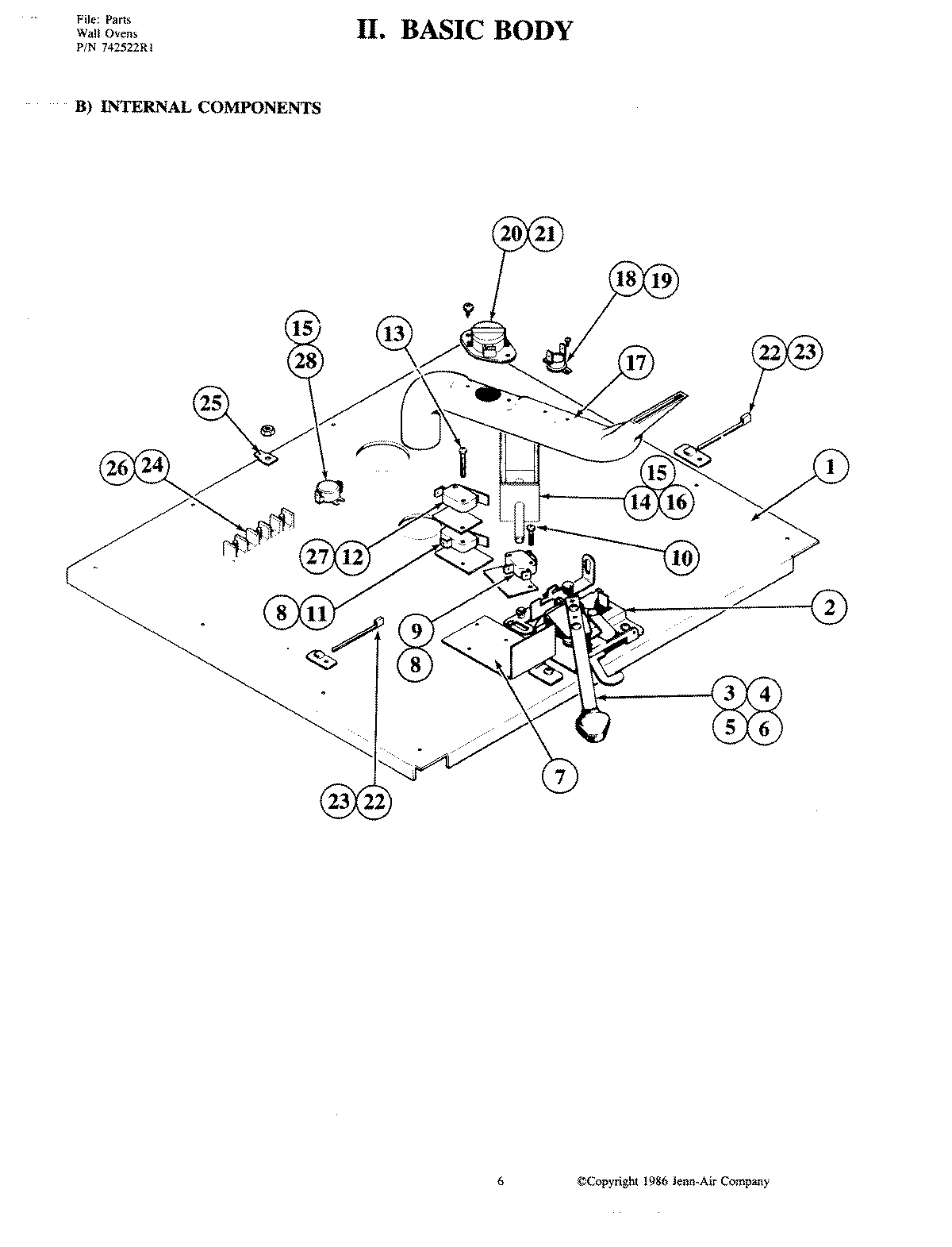
W188 02 – BODY (INTERNAL COMPONENTS)