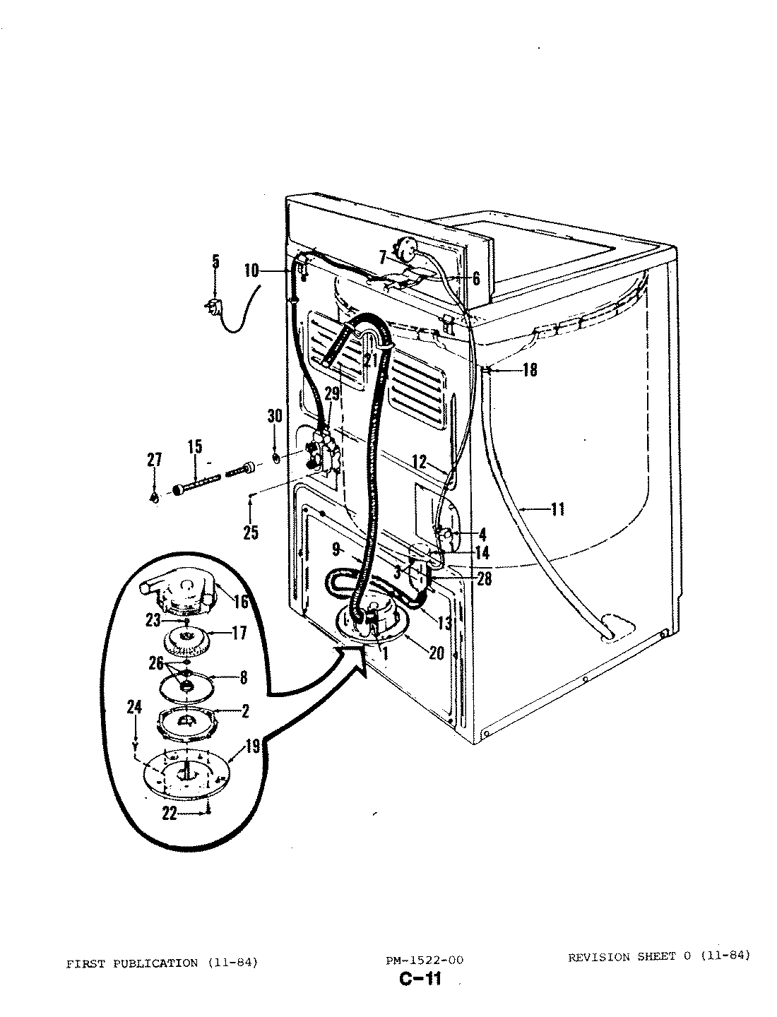
W18DA2 06 – WATER CARRYINGadmin2025-04-26T08:52:56+00:00W18DA2 06 – WATER CARRYING ProductsPositionProduct1MAY 33-95362MAY 33-60293MAY 25-70033MAY 25-77974MAY 25-60494MAY 33-60995MAY 33-39396MAY 33-60387MAY 33-66868MAY 33-60329MAY 33-953510MAY 33-668911MAY 33-949412MAY 33-671413MAY 33-609114MAY 33-363315FILL HOSE 5' W/WASHER16MAY 33-603017MAY 33-603318MAY 33-138919MAY 33-603520MAY 33-602721MAY 33-953721MAY 33-705822MAY 25-740523MAY 25-741824MAY 25-741925WP3351614 Whirlpool Screw26MAY 33-636027MAY 33-731328MAY 33-731429MAY 33-704430MAY 25-7048