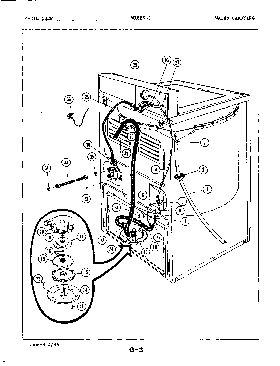
W18EY2 05 – WATER CARRYINGadmin2025-04-26T08:53:03+00:00W18EY2 05 – WATER CARRYING ProductsPositionProduct1MAY 35-00593MAY 33-13894WP596669 Whirlpool Hose Clamp4MAY 33-40905MAY 33-60997MAY 33-73148MAY 33-36339MAY 25-700310MAY 33-609112SEE NOTE GROUND WIRE, GREEN13MAY 35-000814MAY 33-603515MAY 33-602916MAY 33-636017MAY 35-001018MAY 25-741819MAY 33-603220MAY 35-000921MAY 25-740522MAY 25-741923MAY 33-953524MAY 33-953625MAY 25-779725MAY 33-953726MAY 25-708626MAY 25-745526MAY 33-805726MAY 33-983027MAY 33-603828MAY 35-054130MAY 25-786631MAY 33-705831MAY 35-008532WP3351614 Whirlpool Screw33FILL HOSE 5' W/WASHER34MAY 33-731335MAY 25-704836MAY 33-3939