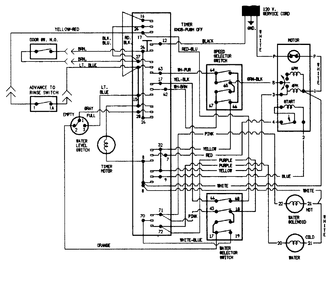
W208KA 06 – WIRING INFORMATIONadmin2025-04-26T08:53:19+00:00W208KA 06 – WIRING INFORMATION ProductsPositionProductNIMAY 15001249