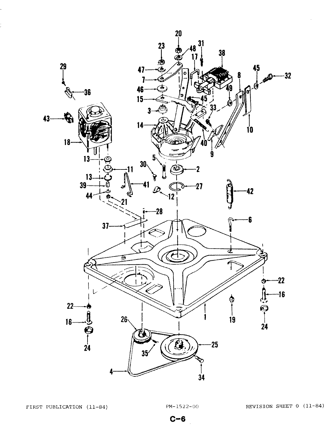
W20DY3 01 – BASE & DRIVEadmin2025-04-26T08:53:34+00:00W20DY3 01 – BASE & DRIVE ProductsPositionProduct1MAY 33-96172MAY 63-52253MAY 33-83354MAY 33-97875MAY 25-77906MAY 25-73657MAY 33-95548MAY 33-95699MAY 33-939110MAY 33-688011MAY 33-913912MAY 25-726513MAY 33-913614MAY 33-957915MAY 33-952015MAY 33-4287N16MAY 33-124917MAY 33-751818MAY 33-9224N19MAY 25-736220MAY 25-779821MAY 25-022422MAY 25-703223MAY 25-730424MAY 34-006225MAY 33-597626MAY 33-041027MAY 25-736028MAY 25-776929MAY 25-777930MAY 25-721831MAY 25-743232MAY 25-727533MAY 25-749834MAY 25-736135MAY 25-711736MAY 33-913737MAY 33-857338MAY 33-829139MAY 25-776840MAY 33-751941MAY 33-914042MAY 33-955343MAY 33-719544MAY 25-704745MAY 25-741346MAY 33-027947MAY 25-754948MAY 25-7089