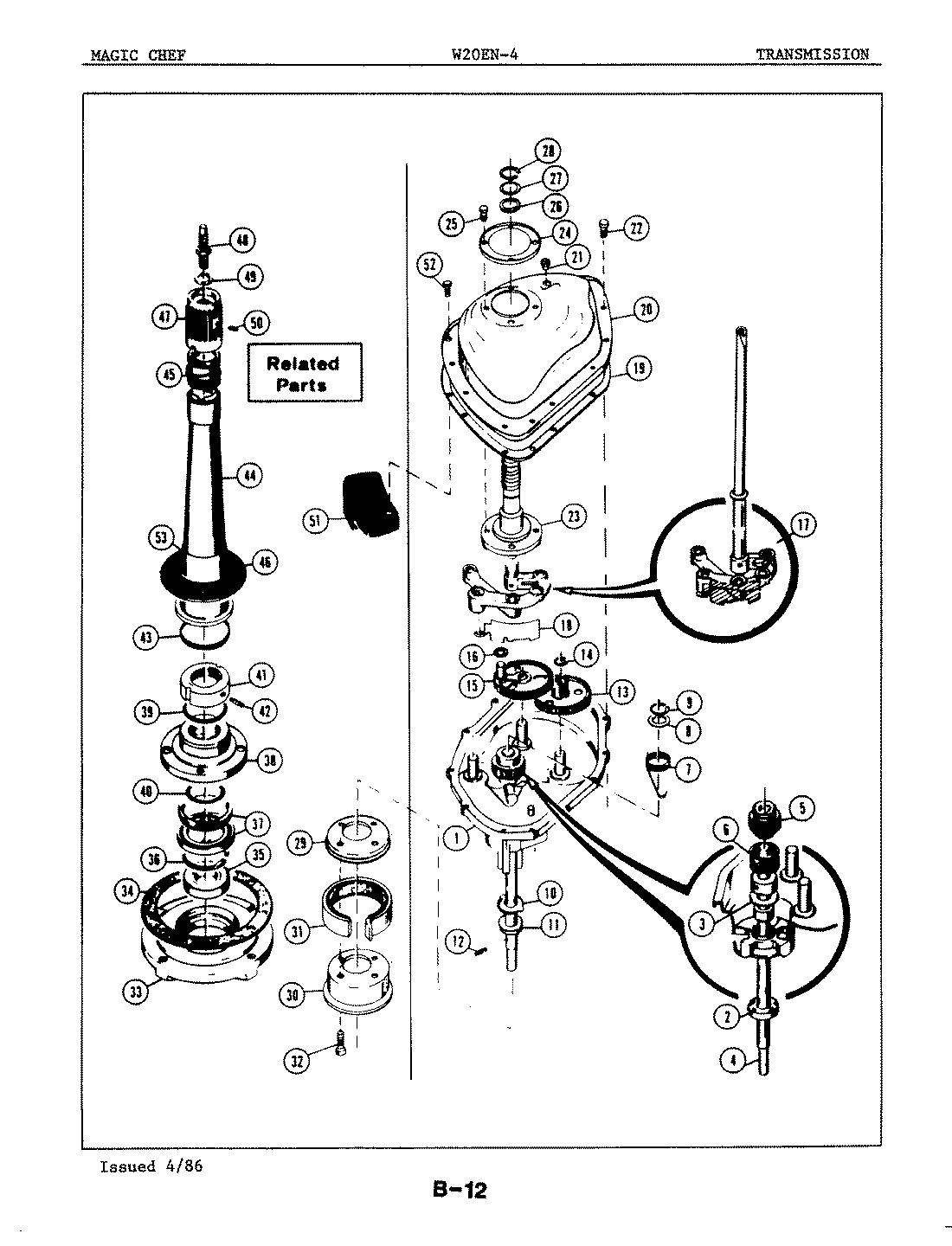
W20EA4 03 – TRANSMISSIONadmin2025-04-26T08:53:27+00:00W20EA4 03 – TRANSMISSION ProductsPositionProduct1MAY 33-99861MAY 35-06302MAY 33-92083MAY 33-9023N3MAY 25-72744MAY 33-90225MAY 33-61156MAY 33-31957MAY 33-64638MAY 25-74159MAY 25-717310MAY 33-921711MAY 33-494412MAY 25-612013MAY 33-322815MAY 33-591016MAY 25-709117MAY 33-979617MAY 35-062818MAY 33-910318MAY 25-717519MAY 33-4286N19MAY 33-936620MAY 33-718221MAY 33-937322MAY 25-775823MAY 33-876324MAY 33-718725MAY 25-749826MAY 25-705727MAY 25-705128MAY 25-770828MAY LA-100029MAY 33-998430MAY 33-998331MAY 33-968632MAY 33-4282N32MAY 25-739933MAY 33-952234MAY 33-904635MAY 33-026036MAY 25-717837MAY 33-722438MAY 33-998738MAY 33-923039MAY 25-774940MAY 25-772241MAY 33-950442MAY 33-4283N42MAY 25-712043MAY 33-871844MAY 33-949845MAY 33-780646MAY 33-946146MAY 33-904747MAY 33-972948MAY 34-124849MAY 25-731650MAY 25-737851MAY 35-001352MAY 25-735953MAY 35-046653MAY 33-6790