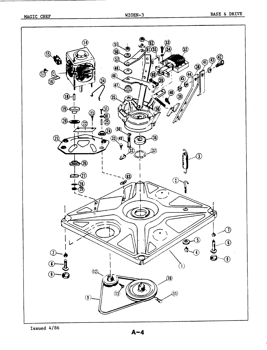
W20EN3 01 – BASE & DRIVE