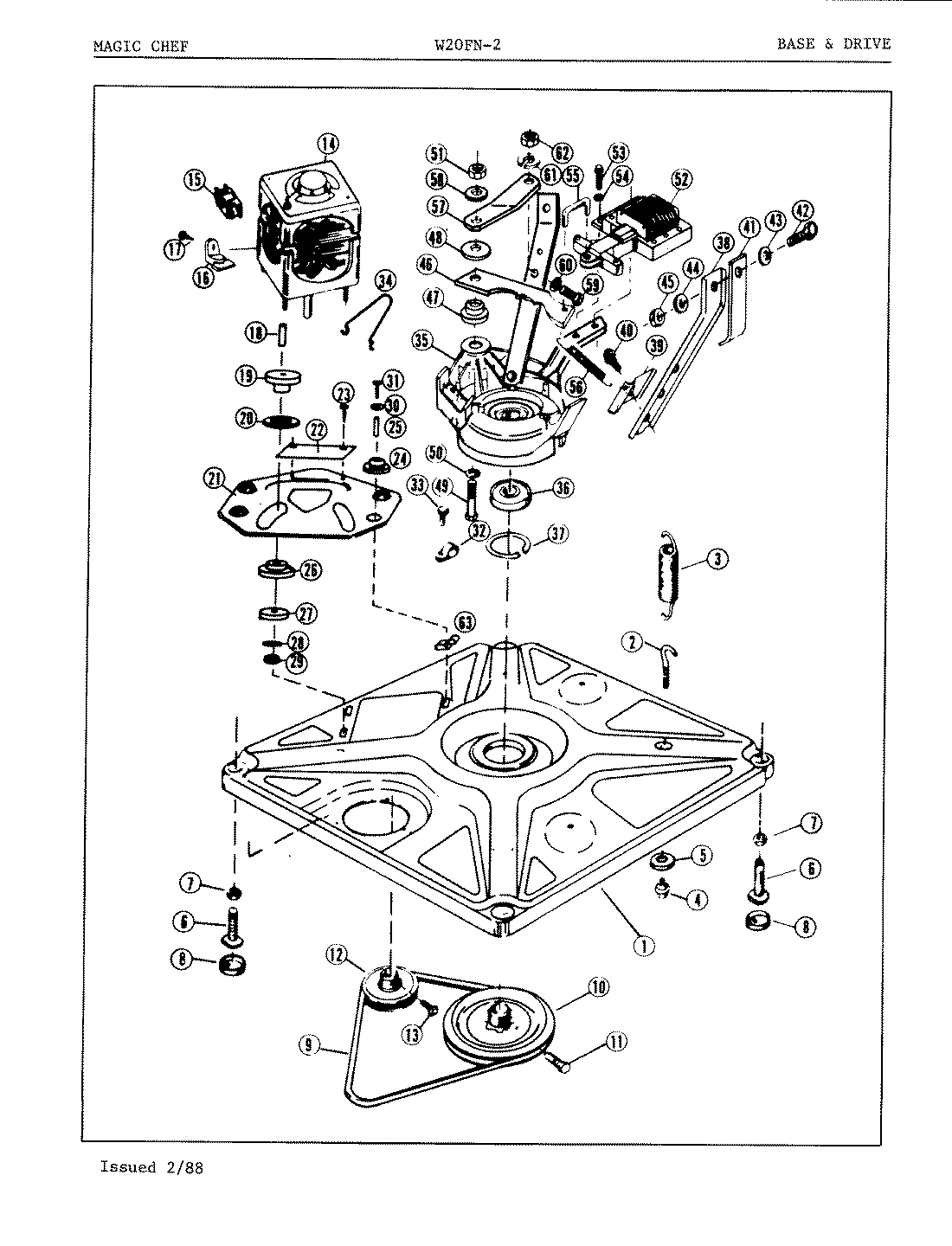
W20FA2 01 – BASE & DRIVE