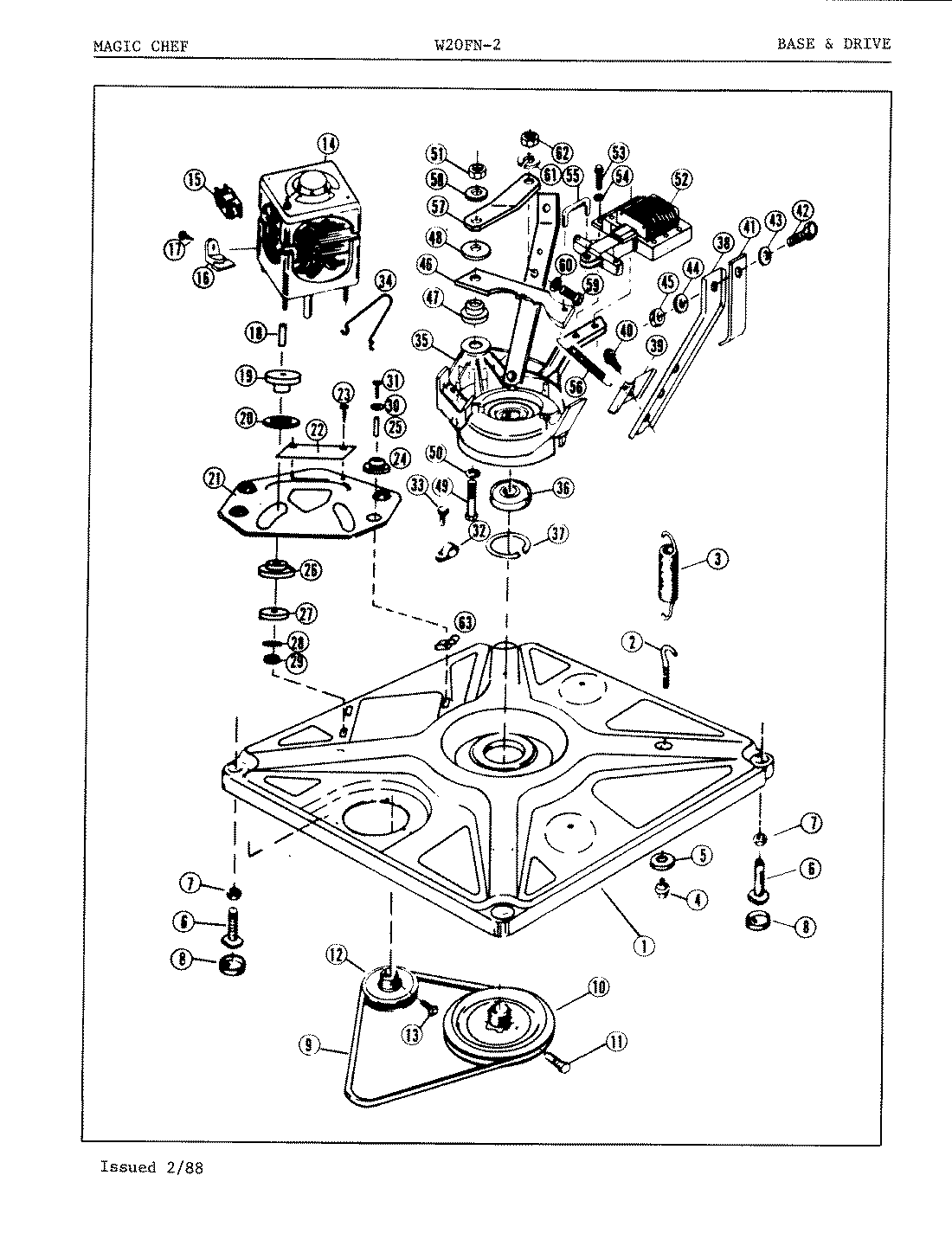
W20FN2 01 – BASE & DRIVE