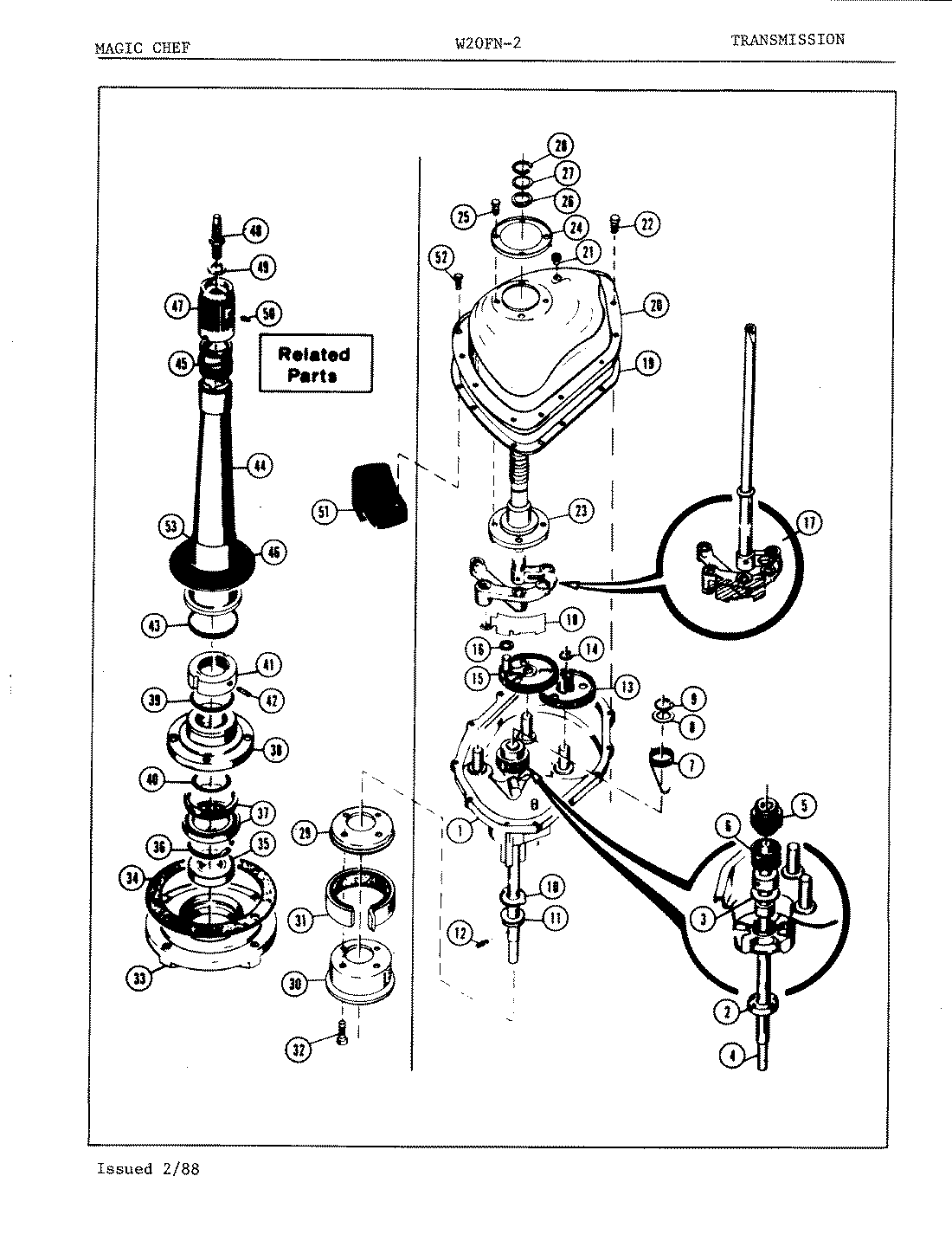
W20FN2 04 – TRANSMISSIONadmin2025-04-26T08:48:18+00:00W20FN2 04 – TRANSMISSION ProductsPositionProduct1MAY LA-10331MAY 33-99862MAY 33-92083MAY 33-9023N3MAY 25-72744MAY 33-90225MAY 33-61156MAY 33-31957MAY 33-61148MAY 25-74159MAY 25-784710MAY 33-921711MAY 33-494412MAY 25-612013MAY 35-054714MAY 25-785315MAY 33-591016MAY 25-709117MAY 35-062819MAY 33-4286N19MAY 35-054220MAY 33-718221MAY 33-937322MAY 25-775823MAY 33-876324MAY 33-718725MAY 25-749826MAY 25-705727MAY 25-705128MAY 25-770828MAY LA-100029MAY 33-998430MAY 35-073431MAY 35-048332MAY 25-739932MAY 33-4282N33MAY 33-952234MAY 33-904635MAY 33-026036MAY 25-784937MAY 33-722438MAY 33-998739MAY 25-774940MAY 25-772241MAY 33-950442MAY 25-712042MAY 33-4283N43MAY 33-871844MAY 33-949845MAY 33-780646MAY 33-904747MAY 33-972948MAY 33-681749MAY 25-731650MAY 25-737851MAY 35-001352MAY 25-735953MAY 33-679053MAY 35-0466