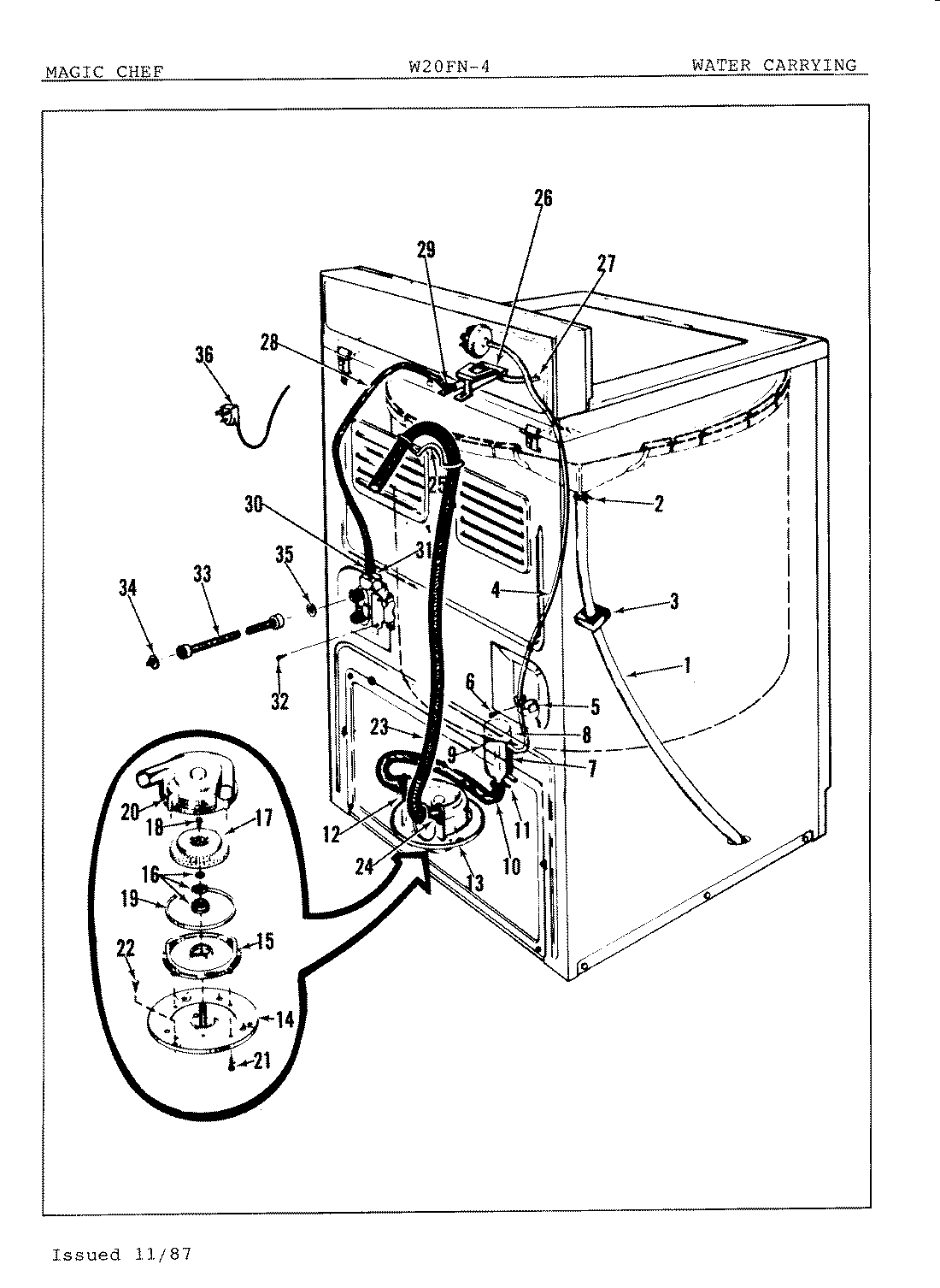
W20FN4 06 – WATER CARRYINGadmin2025-04-26T08:48:27+00:00W20FN4 06 – WATER CARRYING ProductsPositionProduct1MAY 35-00592MAY 25-60573MAY 35-07064MAY 33-40904WP596669 Whirlpool Hose Clamp5MAY 33-60997MAY 33-73148MAY 33-36339MAY 25-700310MAY 33-609111MAY 25-606612MAY 25-605513MAY 35-000813MAY 35-106914MAY 33-603515MAY 33-602916MAY 35-070717MAY 35-001018MAY 25-741819MAY 33-603220MAY 35-000921MAY 25-740522MAY 25-741923MAY 33-953524MAY 33-953624MAY 25-788125MAY 25-779725MAY 33-953726MAY 25-708626WP90767 Whirlpool Screw26MAY 33-983026MAY 33-805727MAY 33-603828MAY 35-054130MAY 25-786631MAY 33-705831MAY 35-008532MAY 25-785133FILL HOSE 5' W/WASHER34MAY 33-731335MAY 25-704836MAY 35-0680