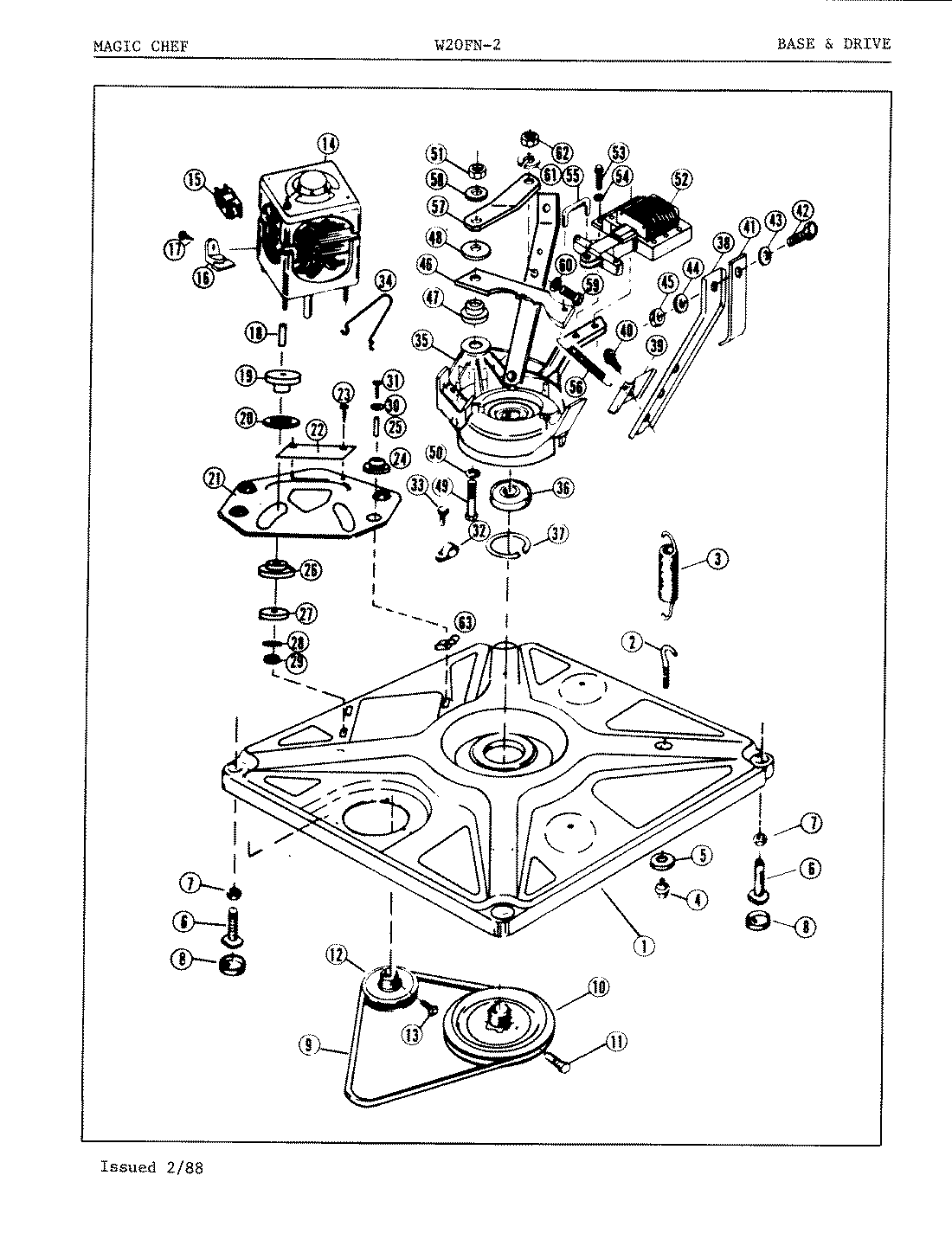
W20FY2 01 – BASE & DRIVE