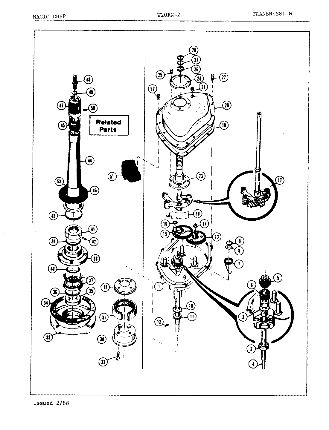
W20FY2 04 – TRANSMISSION