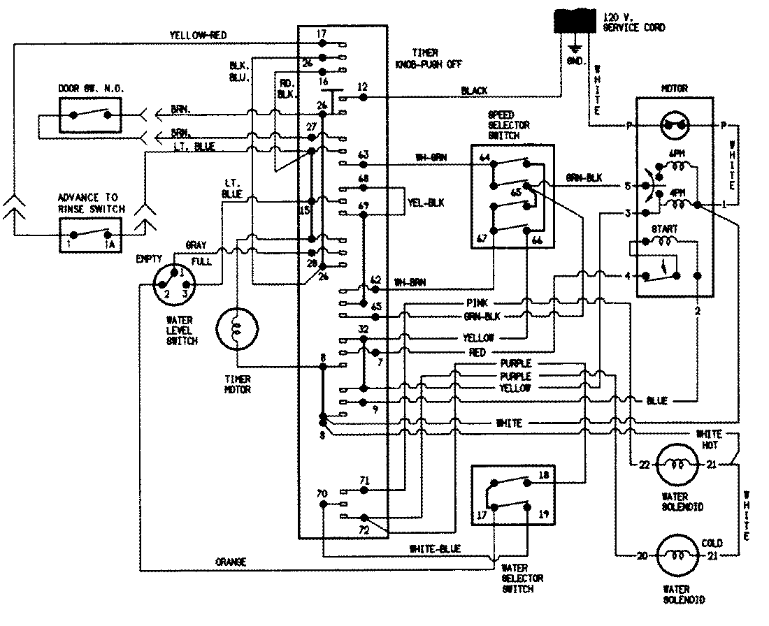
W236LGV 07 – WIRING INFORMATIONadmin2025-04-26T08:48:56+00:00W236LGV 07 – WIRING INFORMATION ProductsPositionProductNIMAY 15001992