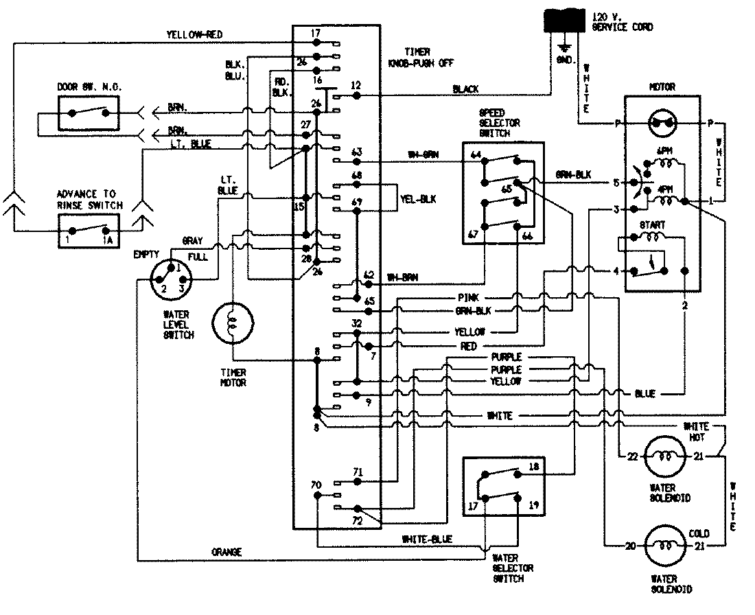
W236LKV 07 – WIRING INFORMATIONadmin2025-04-26T08:48:21+00:00W236LKV 07 – WIRING INFORMATION ProductsPositionProductNIMAY 15001992