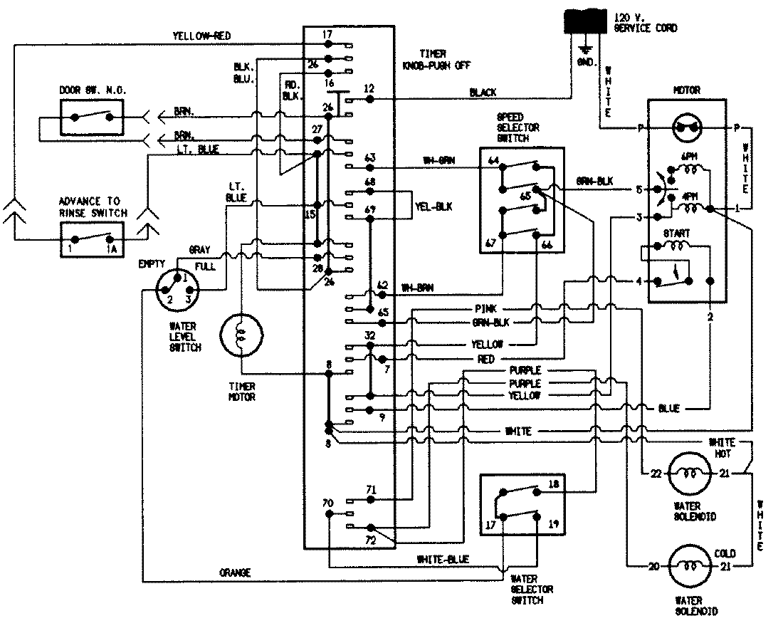
W236LV 06 – WIRING INFORMATIONadmin2025-04-26T08:48:41+00:00W236LV 06 – WIRING INFORMATION ProductsPositionProductNIMAY 15001247