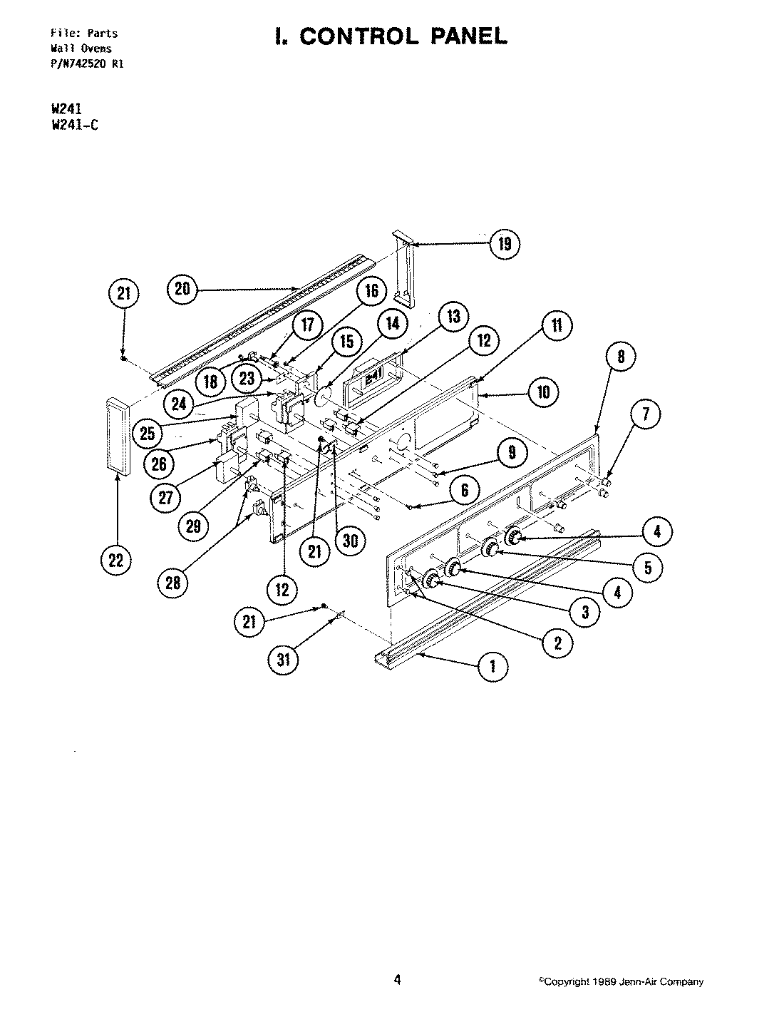
W241-C 02 – CONTROL PANELadmin2025-04-26T08:48:53+00:00W241-C 02 – CONTROL PANEL ProductsPositionProduct1MAY 7030732MAY 701610312200031 Whirlpool Knob Kit4MAY 7030574WPY703499 Whirlpool Dishwasher Thermostat Knob5MAY Y7030595MAY 7035026MAY Y7021247MAY Y7025478MAY 7030719MAY Y70063010MAY 70307011MAY 70161812MAY Y70239313MAY 70163314MAY 70309415MAY 70309216MAY Y70835917MAY 70307518MAY 70309119MAY 70161920MAY 70307221WP12990527 Whirlpool Microwave Screw22MAY 70163523MAY 70309324MAY 70308025MAY 70307726MAY 70308227MAY 70307828MAY 70162129MAY Y70239430MAY 70274631MAY 70308631MAY 70308431MAY 70326731MAY 70160931MAY 70337031MAY 70309031MAY 70308931MAY 703390