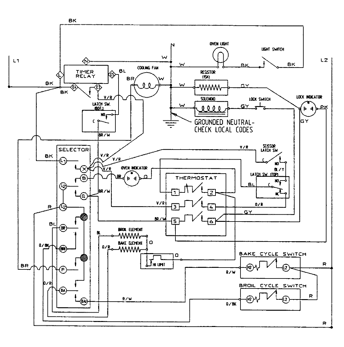
W2410B 07 – WIRING INFORMATIONadmin2025-04-26T08:48:32+00:00W2410B 07 – WIRING INFORMATION ProductsPositionProductNIMAY 15001165