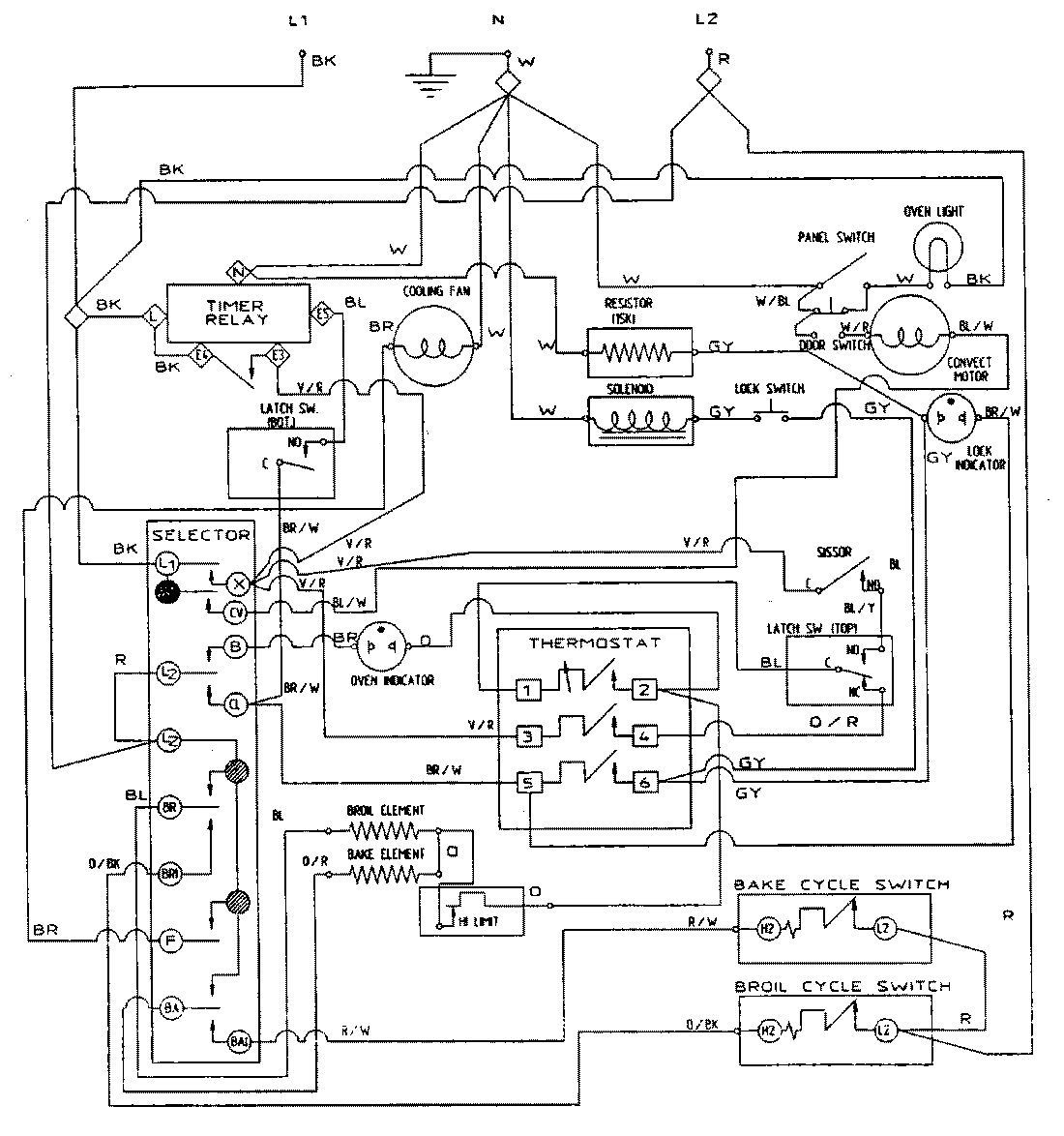
W2451B 08 – WIRING INFORMATIONadmin2025-04-26T08:48:53+00:00W2451B 08 – WIRING INFORMATION ProductsPositionProductNIMAY 15001166