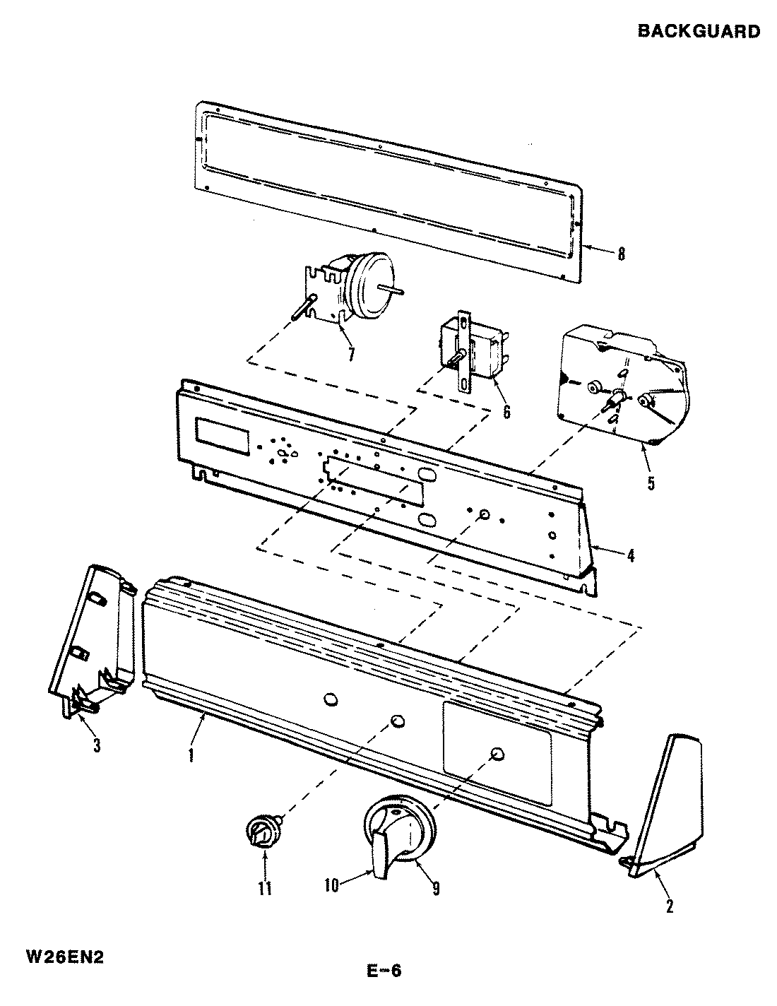
W26EN2 02 – CONTROL PANELadmin2025-04-26T08:48:50+00:00W26EN2 02 – CONTROL PANEL ProductsPositionProduct1MAY 35-07542MAY 53-02642MAY 53-02773MAY 53-02653MAY 53-02783MAY 25-77604MAY 53-03654MAY 25-77025MAY 35-01175MAY 35-04925MAY 25-00886MAY 35-01197MAY 35-07828WP90767 Whirlpool Screw8MAY 25-75838MAY 25-34578MAY 53-02688MAY 34-94878MAY 25-78518MAY 25-75929MAY 35-031810MAY 35-049811MAY 35-0147