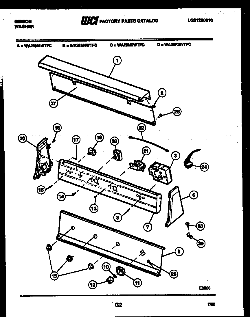
WA28M2WTFC 02 – CONSOLE AND CONTROL PARTSadmin2025-04-26T10:17:07+00:00WA28M2WTFC 02 – CONSOLE AND CONTROL PARTS ProductsPositionProduct1WCI F141603-0002WCI F139635-0003WCI 30156586WCI F139720-0007BRACKET, MTG.8WCI F060796-0009WCI F141641-10010WCI F078212-20011TIMER POINTER12WCI F141025-00013131168200 Frigidaire Dryer Screw15AROTARY KNOB (2)16SCREW SWITCH TO BRACKET ( 2 )17131205100 Frigidaire Screw18WCI F139577-00019SWITCH-WATER TEMP21WCI 530320965922HARNESS-GROUND24AWCI F136345-00024BTIE-HARN TOP PNL (NON-ILLUSTRATED)24WCI 301896525WCI F140203-000265303015671 Frigidaire Bracket Termination Screw27WCI F130230-02628131243800 Frigidaire Screw29WCI F079171-00030WCI F139720-100