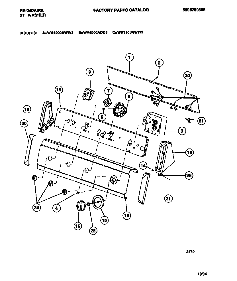
WA4900AWW3 05 – CONSOLE & CONTROLSadmin2025-04-26T10:17:08+00:00WA4900AWW3 05 – CONSOLE & CONTROLS ProductsPositionProduct1BACKSHEET2131205100 Frigidaire Screw3WCI 53032717604SCREW (2)5WCI 13104750065303015671 Frigidaire Bracket Termination Screw9WCI 13104700012END CAP-L.H.-WHITE13END CAP-R.H.-WHITE14WCI 530328952615WCI 13114070116WCI 13114060118WCI 13117130019BRACKET CONTROLS20WCI 13116560021SCREW21131243800 Frigidaire Screw24131858004 Frigidaire Control Knob, White25Spacer,washer ,timer shaft26CLIP30COVER-CAP-LH-WHITE31COVER-CAP-RH-WHITE