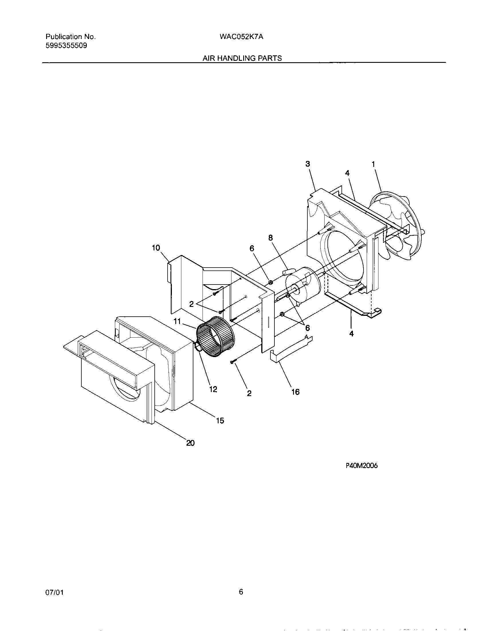
WAC052K7A4 07 – AIR HANDLINGadmin2025-04-26T10:17:25+00:00WAC052K7A4 07 – AIR HANDLING ProductsPositionProductNIWCI 53030121101WCI 3096245022131202300 Frigidaire Screw3Housing-fan,shroud6WCI 53001054028WCI 30964240510WCI 30964370111Blower Wheel12WCI 30911210114134178901 Frigidaire Screw15Housing,blower scroll ,Extended16WCI 30910020120WCI 309643003