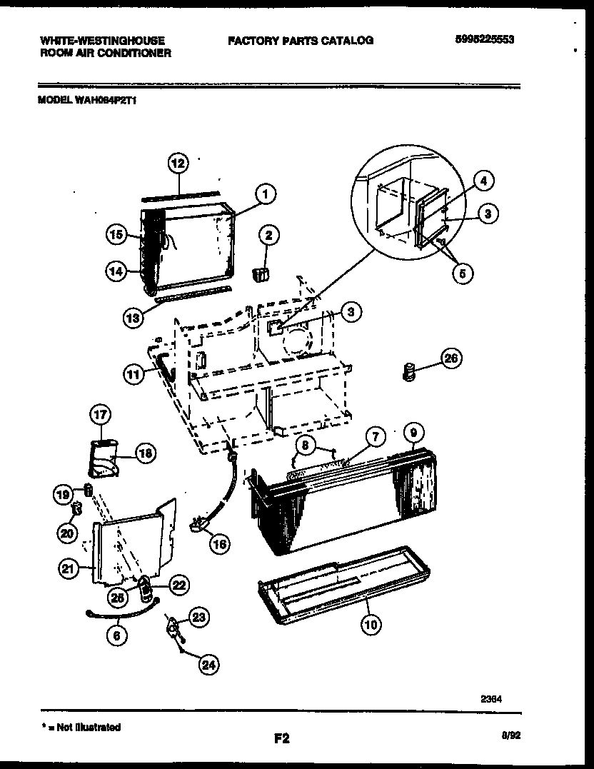
WAH084P2T1 03 – SYSTEM PARTSadmin2025-04-26T10:19:25+00:00WAH084P2T1 03 – SYSTEM PARTS ProductsPositionProduct1WCI 5302853872WCI 30166863WCI 53030124554WCI 080030495Screw,Ph truss hd ,8-18 x 0.38 ,ground6WCI 30175047WCI 53080064498WCI 080064489WCI 530328595310WCI 530800645211WCI 301750512WCI 530800769713WCI 08007704145300265301 Frigidaire Air Conditioner P1 Filter Drier15CAPILLARY TUBE16CORD-SERVICE17WCI 530328538918WCI 0800644319SWITCH-SELECTOR20WCI 530328538821WCI 301750622WCI 530300209624WCI 0801109525SPRING26WCI 3205437