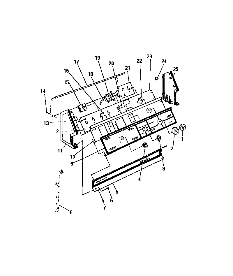
| 1 | WCI 8010887 |
| 2 | WCI 8011417 |
| 4 | KNOB, TEMPERATURE SELECTOR |
| 5 | WCI 8011408 |
| 6 | SCREW |
| 7 | SCREWS (2) |
| 8 | WCI 8011402 |
| 9 | WCI 8011397 |
| 10 | WCI 8011392 |
| 11 | WCI 8011394 |
| 12 | SCREWS (3) |
| 14 | SCREWS (4) |
| 15 | WCI 8010905 |
| 16 | SCREWS (2) |
| 17 | WCI 8001978 |
| 18 | WCI 8006771 |
| 19 | WCI 8010898 |
| 20 | SCREWS (2) |
| 21 | WCI 8010904 |
| 22 | SCREWS (2) |
| 23 | WCI 8011387 |
| 24 | NUTS (12) |
| 25 | WCI 8011393 |