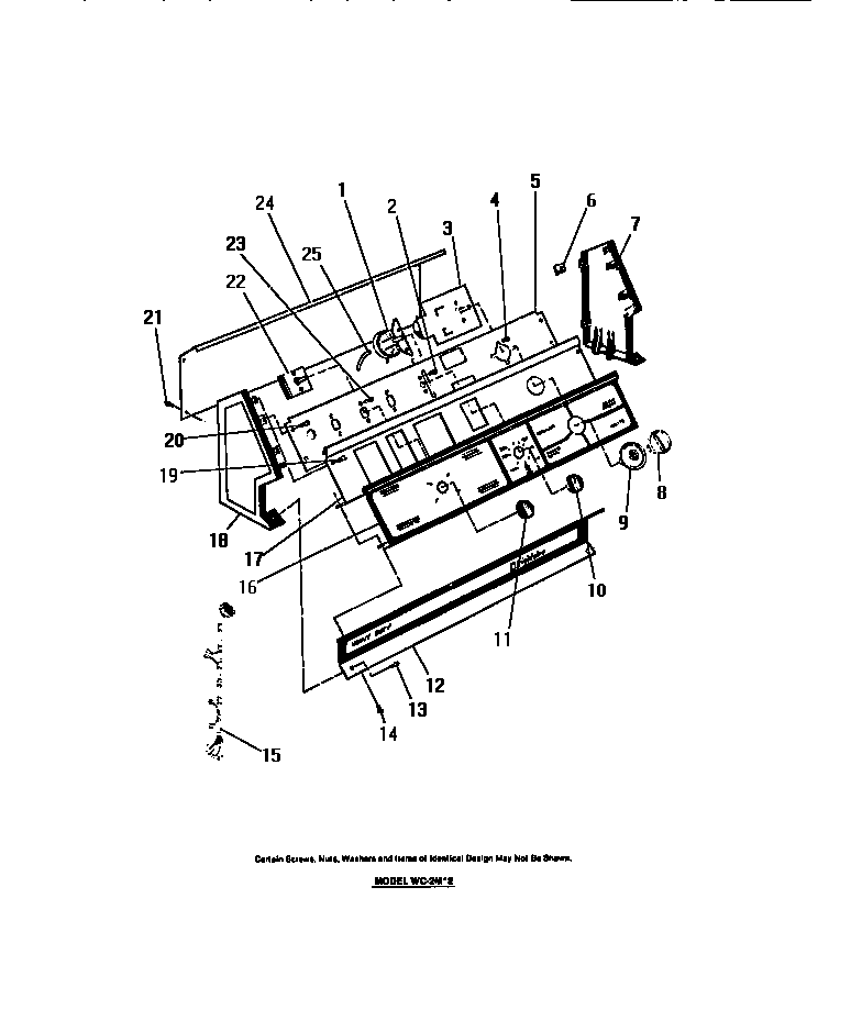
WC2MW2 10 – CONSOLEadmin2025-04-26T13:14:42+00:00WC2MW2 10 – CONSOLE ProductsPositionProduct1WCI 80108983WCI 80109044SCREWS (2)5WCI 80113876NUTS (12)7WCI 80107878WCI 80108879WCI 801141711KNOB, TEMPERATURE SELECTOR12WCI 801140813SCREW14SCREWS (2)15WCI 801140216WCI 801139717WCI 801139218WCI 801078319SCREWS (3)20SCREWS (2)21SCREWS (4)22WCI 801090523SCREWS (2)24WCI 800197825WCI 8006771