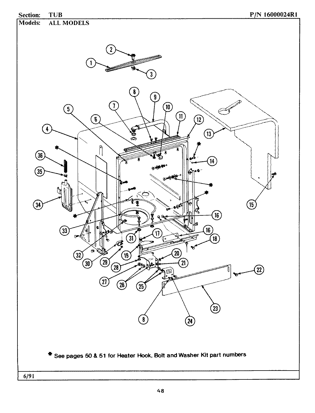
WC484 16 – TUB