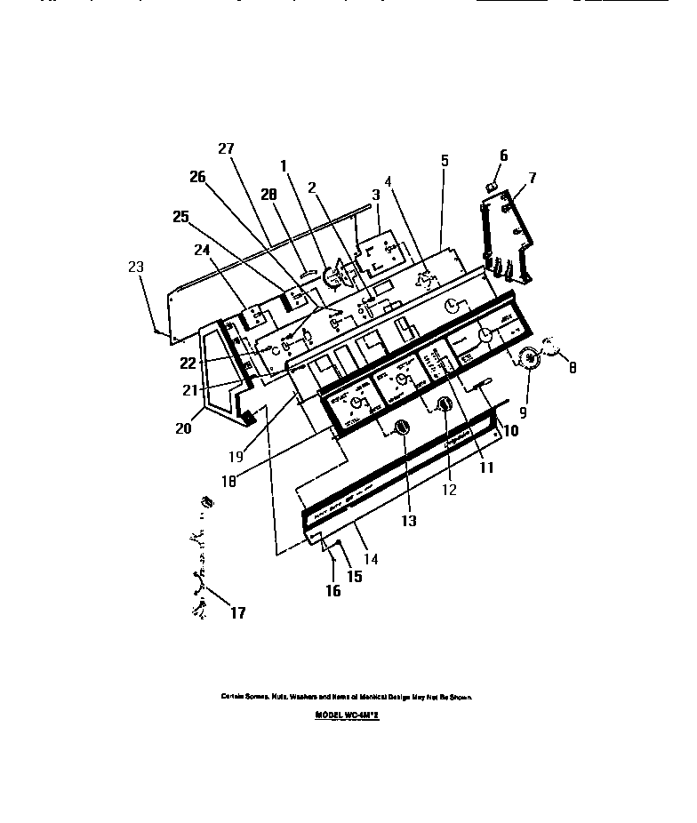
| 1 | SWITCH, WATER LEVEL SELECTOR |
| 3 | WCI 8016347 |
| 4 | SCREWS (2) |
| 5 | WCI 8011387 |
| 6 | NUTS (12) |
| 7 | WCI 8010787 |
| 8 | WCI 8010887 |
| 9 | WCI 8011417 |
| 10 | WCI 8014361 |
| 11 | WCI 8011360 |
| 13 | KNOB, WATER LEVEL SELECTOR |
| 14 | WCI 8011408 |
| 15 | SCREW |
| 16 | SCREWS (2) |
| 17 | WCI 8011430 |
| 18 | WCI 8011410 |
| 19 | WCI 8011392 |
| 20 | WCI 8010783 |
| 21 | SCREWS (3) |
| 22 | SCREWS (2) |
| 23 | SCREWS (4) |
| 24 | WCI 8010905 |
| 25 | WCI 8010906 |
| 26 | SCREWS (2) |
| 27 | WCI 8001978 |
| 28 | WCI 8006771 |