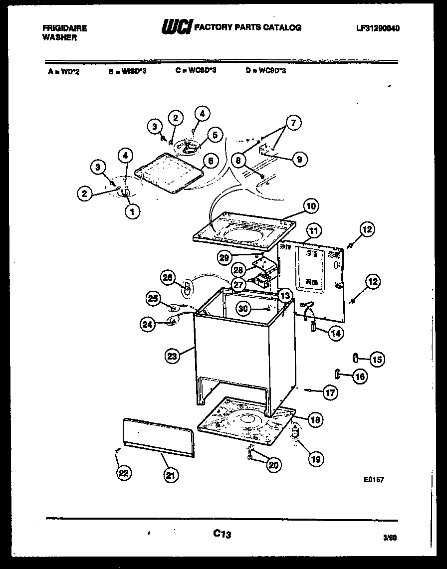
WC8DH3 04 – CABINET PARTSadmin2025-04-26T08:39:30+00:00WC8DH3 04 – CABINET PARTS ProductsPositionProduct1WCI 080155192WCI 0800240835304455649 Frigidaire Refrigerator Screw4WCI 080155205WCI 30189626WCI 080158767WCI 080274838WCI 080108309RIVET (2)10WCI 301896811WCI 08011286125303015671 Frigidaire Bracket Termination Screw135303209428 Frigidaire Serv.Cord Bushing14WCI 0801551515WCI 0801490316WCI 0801490217131205500 Frigidaire Screw18WCI 0801129019WCI 0895008820WCI 0800406621WCI 0801126222SCREW23WCI 0801551324WCI 0800159725WCI 0800159626WCI 0800238426AWCI 0801127627WCI 301711028WCI 301896329SEMS SCREW (2)30RIVET (3)