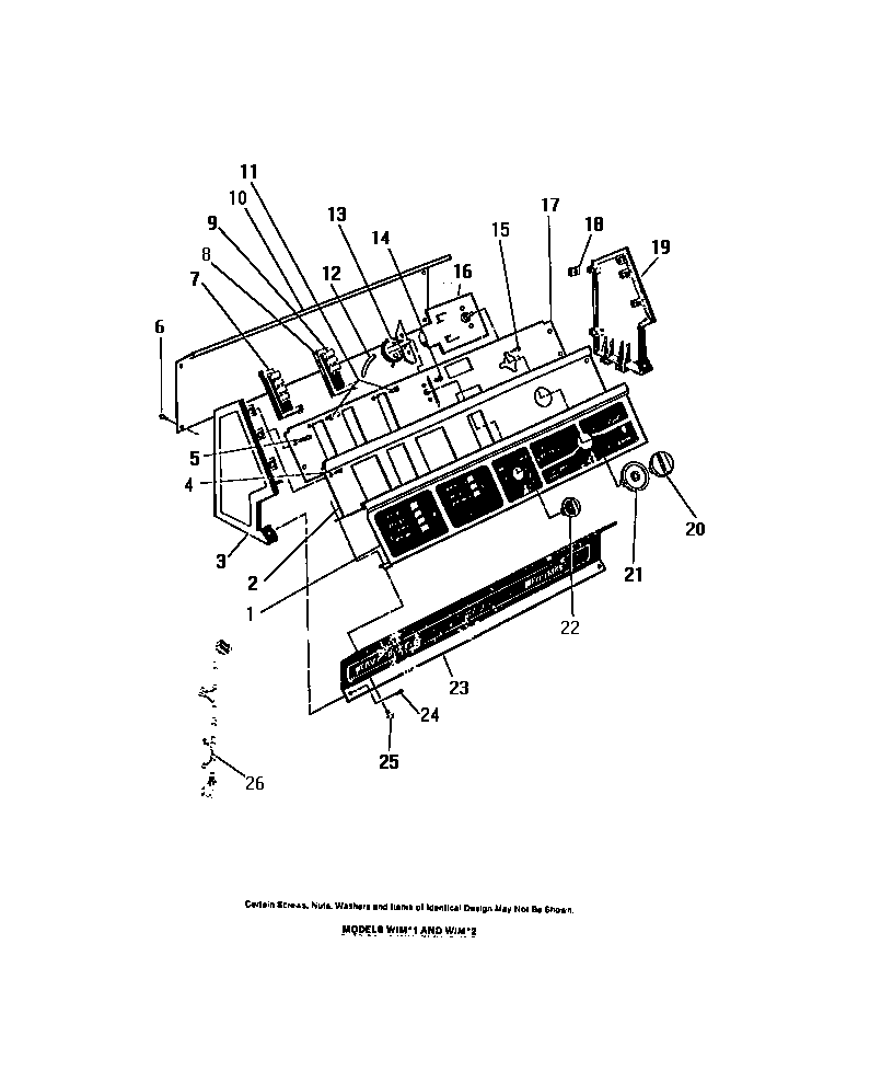
WCDML1 05 – CONSOLE