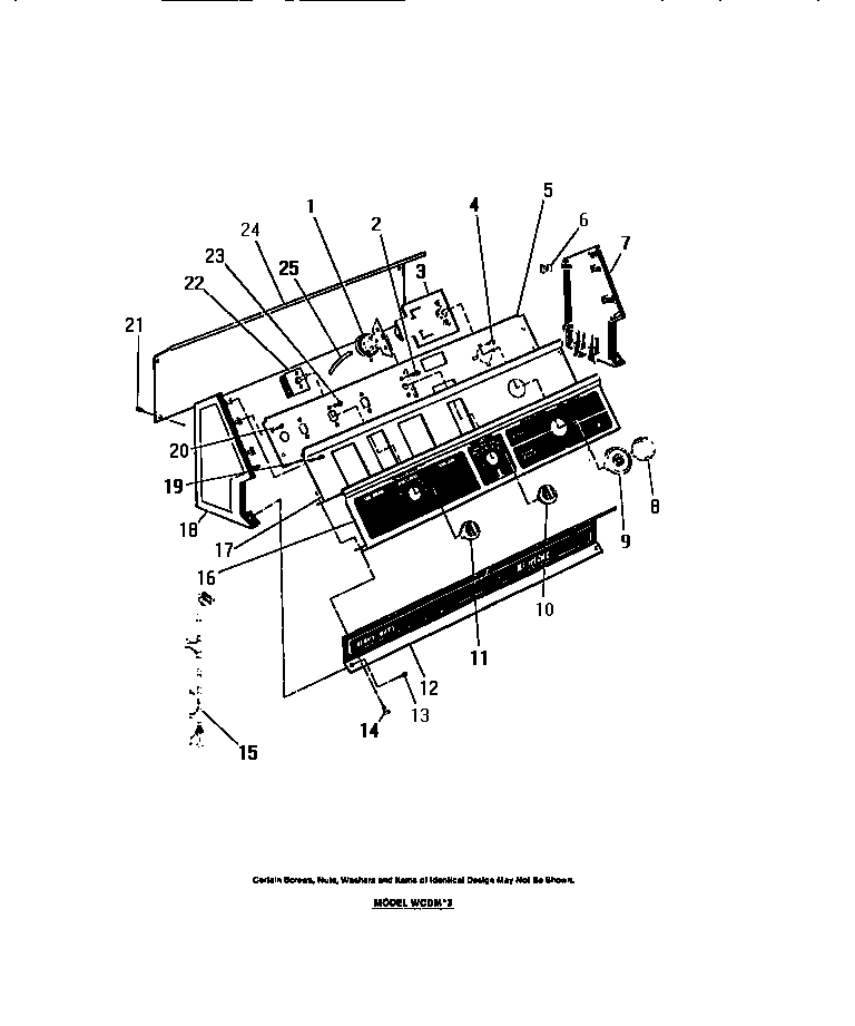
WCDML3 07 – CONSOLEadmin2025-04-26T13:14:32+00:00WCDML3 07 – CONSOLE ProductsPositionProduct1WCI 80109013WCI 80143704SCREWS (2)5WCI 80113876NUTS (12)7WCI 80107878WCI 80108879WCI 801141711KNOB, WATER LEVEL SELECTOR12WCI 801140013SCREW14SCREWS (2)15WCI 801437216WCI 801140917WCI 801139218WCI 801078319SCREWS (3)20SCREWS (2)21SCREWS (4)22WCI 801090223WCI 800195324WCI 800197825WCI 8006771