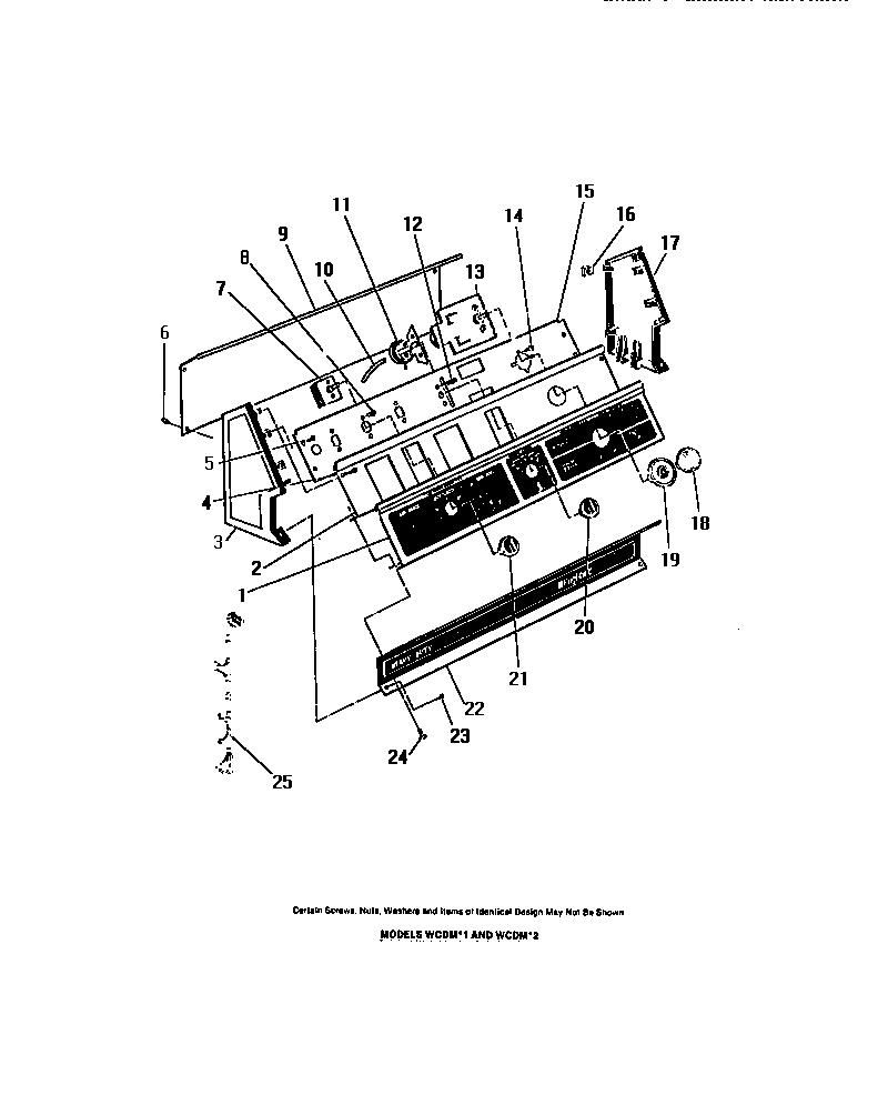
WCDMW1 04 – CONSOLEadmin2025-04-26T13:16:23+00:00WCDMW1 04 – CONSOLE ProductsPositionProduct1WCI 80114092WCI 80113923WCI 80113944SCREWS (3)6SCREWS (4)7WCI 80109028WCI 80019539WCI 800197810WCI 800677111WCI 801090112SCREWS (2)13WCI 801090014SCREWS (2)15WCI 801138716NUTS (12)17WCI 801139318WCI 801088719WCI 801141721KNOB, WATER LEVEL SELECTOR22WCI 801140023SCREW24SCREWS (2)25WCI 8011404