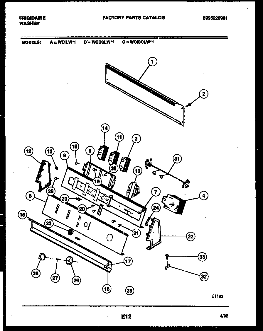
WCILW1 05 – CONSOLE AND CONTROL PARTSadmin2025-04-26T13:16:39+00:00WCILW1 05 – CONSOLE AND CONTROL PARTS ProductsPositionProduct1WCI 320132225303015671 Frigidaire Bracket Termination Screw3WCI 53080159104WCI 53032126265WCI 32013247SCREW (2)8WCI 53032087919WCI 530320879410WCI 530320879611WCI 530801590912END CAP RH13CLIP (8)14WCI 530801590815WCI 530320879817WCI 0801078218WCI 320582020131168200 Frigidaire Dryer Screw21SCREW (2)22WCI 320587623WCI 530801434024WCI 0801434925WCI 530801433726WCI 530801549827Spacer,washer ,timer shaft28SCREW (3)29WCI 530801080730WCI 0801080431AWCI 530328549331WCI 530320880132WCI 537917100033131243800 Frigidaire Screw35CLIP