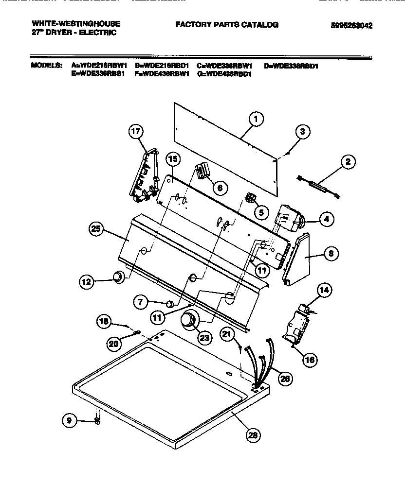
WDE216RBD1 04 – CONSOLE. CONTROLS