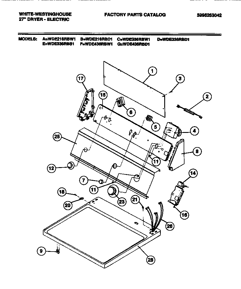
WDE436RBW1 04 – CONSOLE. CONTROLSadmin2025-04-26T13:13:57+00:00WDE436RBW1 04 – CONSOLE. CONTROLS ProductsPositionProduct1COVER-BACK2RESISTOR, 3.0K3131205100 Frigidaire Screw45303297177 Frigidaire Dryer Control Timer5WCI 1310480006WCI 1312592007KNOB-START SWITCH, BLACK8WCI 530329135293205821 Frigidaire Clip11WCI 13126630012WCI 13111860214WCI 530321028515WCI 131297306165303015671 Frigidaire Bracket Termination Screw17WCI 530329134418WCI 530328952620CLIP-CONSOLE MTG21131243800 Frigidaire Screw22WCI 537917100023WCI 13111890225WCI 13141670026WCI 13126640028WCI 131130402