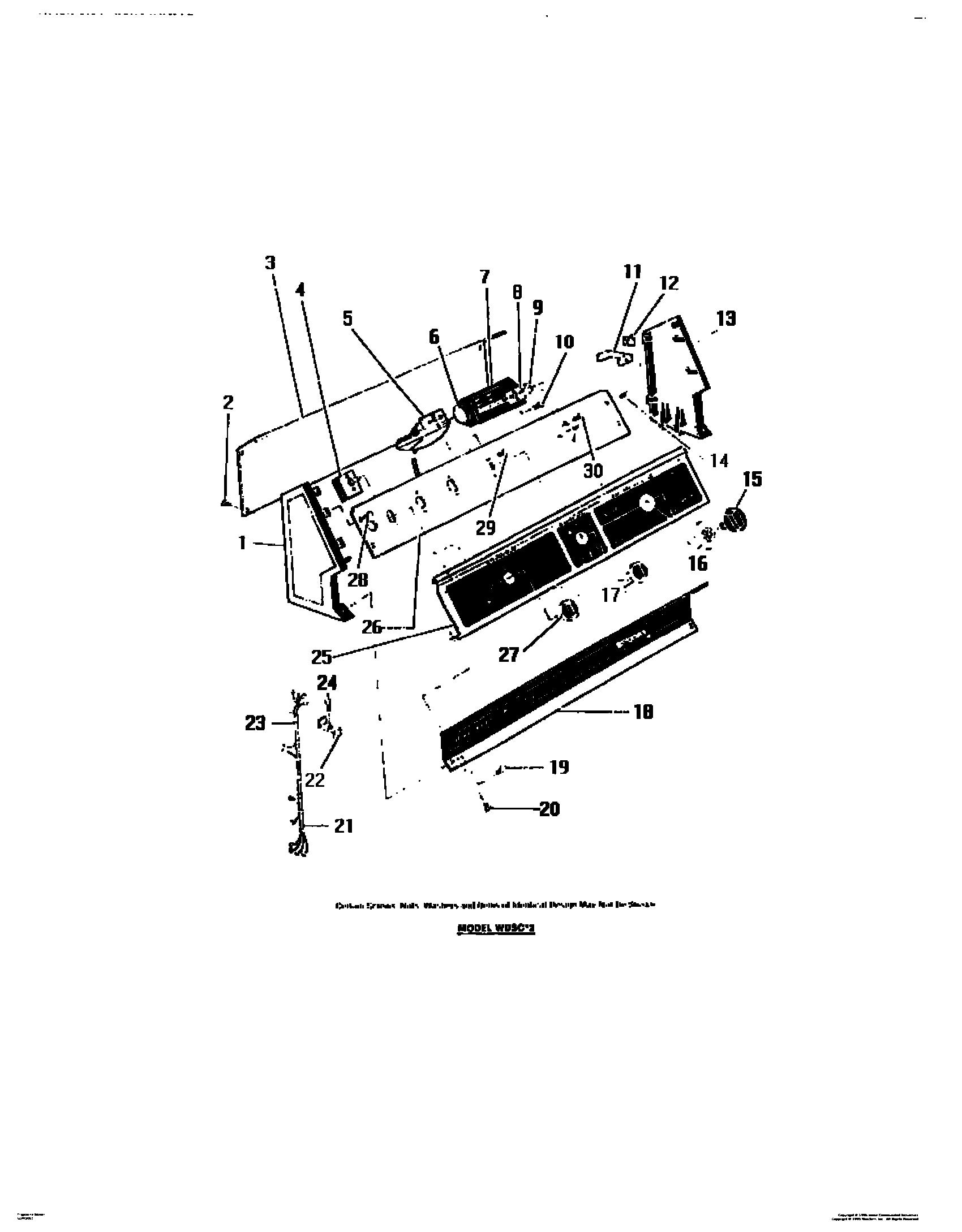
WDSCL2 02 – CONSOLE