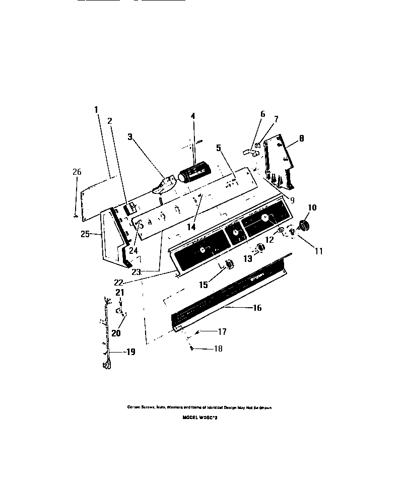
WDSCW3 02 – CONSOLEadmin2025-04-26T08:44:24+00:00WDSCW3 02 – CONSOLE ProductsPositionProduct1WCI 80107812WCI 80143463WCI 80143484WCI 80155055WCI 80066366WCI 80143497WCI 80143508WCI 80107879WCI 801078910WCI 801433711WCI 801549812WCI 801549314WCI 800233915WCI 801434016WCI 801434417WCI 801131819WCI 801550820WCI 800234121WCI 800168922WCI 801434123WCI 801433924WCI 800228425WCI 801078326SCREWS (3)