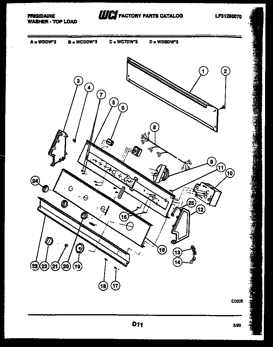
WDSDL3 02 – CONSOLE AND CONTROL PARTSadmin2025-04-26T08:44:10+00:00WDSDL3 02 – CONSOLE AND CONTROL PARTS ProductsPositionProduct1WCI 080107813WCI 080107834WCI 080143505WCI 080158656WCI 080143467WCI 080022848WCI 30189659WCI 530320965910WCI 301565911SCREW (2)12WCI 0801078713131243800 Frigidaire Screw14WCI 0800234114AWCI 0801675415WCI 0800663616WCI 0801588917WCI 0801131818WCI 0801078219WCI 0801549821WCI 0801549322WCI 0801433723WCI 0801589724WCI 0801434025WCI 08014349