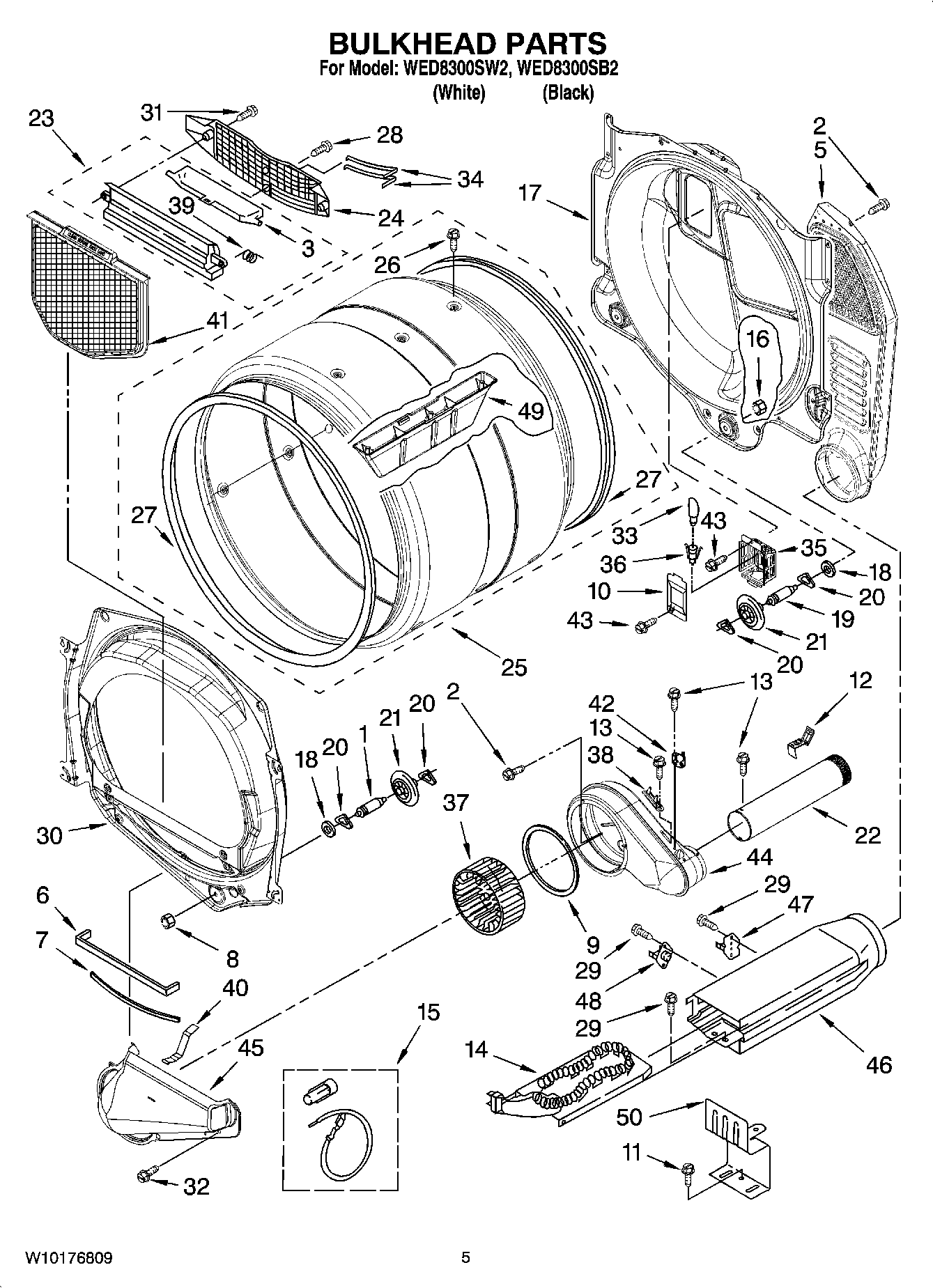
WED8300SW2 03 – BULKHEAD PARTS

WED8300SW2 03 – BULKHEAD PARTS

Products

PositionProduct
1SHAFT
2WP488729 Whirlpool Refrigerator Door Screw
3W11222846 Whirlpool Door
5WP3387911 Whirlpool Air Duct
6WP697813 Whirlpool Seal
8WPW10080210 Whirlpool Nut
9WP697770 Whirlpool Blower Cover Plate Seal
10W11226088 Whirlpool Lens Assembly
11WP693995 Whirlpool Screw
12W11684573 Whirlpool Clip Assembly
13WP90767 Whirlpool Screw
14WP3387747 Whirlpool Dryer Heating Element
15279457 Whirlpool Dryer Heating Element Wide Spade Connection
16WPW10080190 Whirlpool Nut
17WPW10080170 Whirlpool Bulkhead Assembly
18W11236646 Whirlpool Washer Assembly
19SHAFT
20WPW10512946 Whirlpool Dryer Tri-Ring Drum Roller
21WPW10314173 Whirlpool Dryer Drum Support Wheel
22WP8563728 Whirlpool Exhaust Pipe
23W11219327 Whirlpool Grille Outlet
24W11086603 Whirlpool Dryer Link Screen Air Grille
25W10865330 Whirlpool Drum
26WPW10109200 Whirlpool Screw
27280114 Whirlpool Dryer Drum Seal
308565061 Whirlpool Bulkhead Assembly
31WP3387230 Whirlpool Screw
32WP489463 Whirlpool Refrigerator Screw
33WP22002263 Whirlpool Dryer 10W Light Bulb
34WP3387223 Whirlpool Electrode Assembly
358578825 Whirlpool Bracket
36W11700522 Whirlpool Socket
37WP697772 Whirlpool Dryer Blower Wheel
38WP3392519 Whirlpool Dryer Thermal Fuse
39WP3394986 Whirlpool Spring
40WP8066208 Whirlpool Clip
41W10120998 Whirlpool Dryer Lint Screen Filter
42WP8577274 Whirlpool Dryer Thermistor
44W10888146 Whirlpool Housing
45WPW10128606 Whirlpool Lint Duct
46W10802681 Whirlpool Box Assembly
47279973 Whirlpool Dryer Thermal Cut-Off and High Limit Thermostat Kit
48THRMST-FIX
49W10852390 Whirlpool Drum Baffle
508066099 Whirlpool Bracket