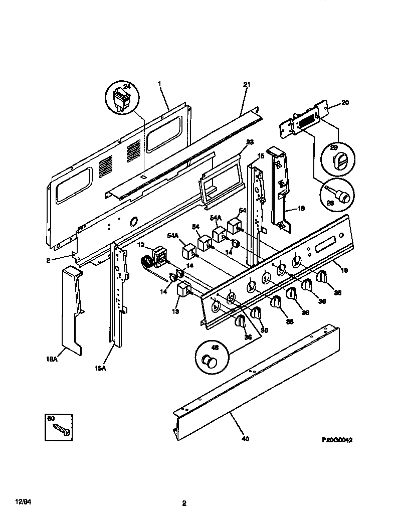
WEF322BADA 02 – BACKGUARDadmin2025-04-26T08:44:38+00:00WEF322BADA 02 – BACKGUARD ProductsPositionProduct1WCI 3160752012WCI 31601590712WCI 30603240013WCI 31603250014316022503 Frigidaire Light Lamp P-115AWCI 31602311115WCI 31602311018ACAP-END-LH18CAP-END-RH19WCI 31601471420WCI 530327230921WCI 31601480123WCI 316015007245308015487 Frigidaire Switch-Oven Light28BUTTON-CLOCK29KNOB-TIMER BUTTON36KNOB-CONTROL, (5)40WCI 31606232946318228310 Frigidaire Oven Lens545303935086 Frigidaire Oven Top Burner Switch Kit54A316436001 Frigidaire Oven Range Infinite Burner Switch60WCI 530328857460BWCI 530328158460A316021105 Frigidaire Oven Screw