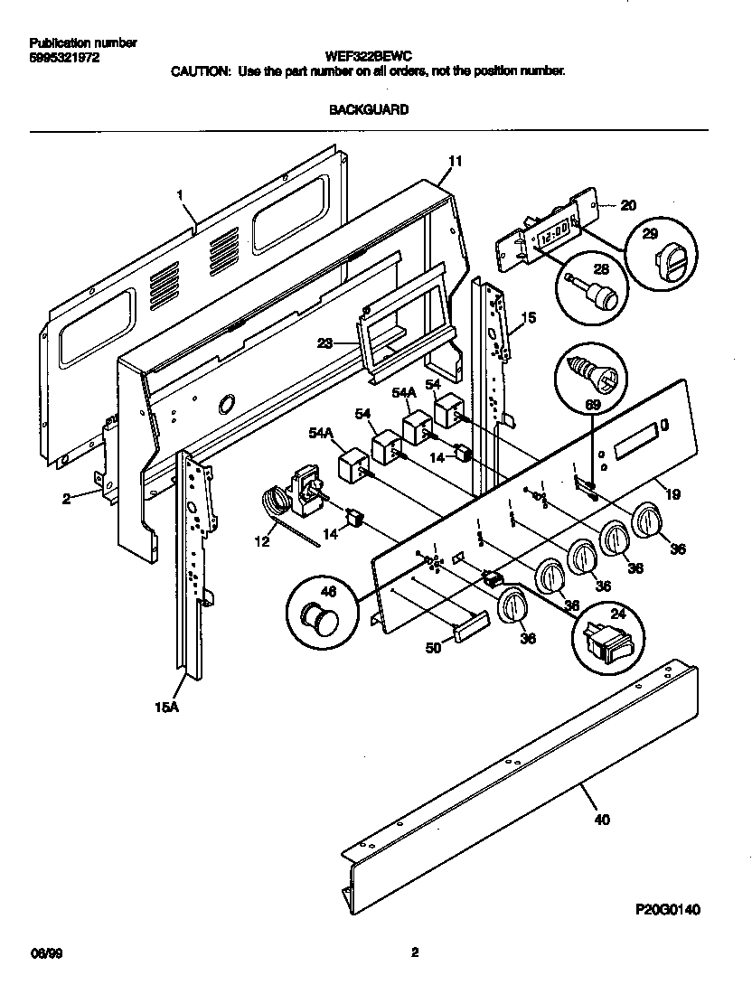
WEF322BEWC 02 – BACKGUARDadmin2025-04-26T08:44:25+00:00WEF322BEWC 02 – BACKGUARD ProductsPositionProduct*93640WCI 316003018*93641Screw,cup pt ,8-18 x 0.375 ,chrome*93642316021109 Frigidaire Oven Screw*93643SCREW-SWITCH MTG, 8-32 X 3/16, SW TO CNTL PNL, (8)1WCI 3160816012WCI 31601590711WCI 31606185112WCI 31603240114316022503 Frigidaire Light Lamp P-114316022500 Frigidaire Oven Warmer Drawer Zone Indicator Light Lamp15WCI 31602310915WCI 31602310819WCI 31607655520WCI 31609600123WCI 316079002245304527841 Frigidaire Oven Rocker Switch (Black)29KNOB-TIMER BUTTON29BUTTON-CLOCK36KNOB-CONTROL, (5)40WCI 31606400946318228310 Frigidaire Oven Lens50Nameplate,white west. ,black on silver50WCI 31609690054316436001 Frigidaire Oven Range Infinite Burner Switch545303935086 Frigidaire Oven Top Burner Switch Kit60316021105 Frigidaire Oven Screw