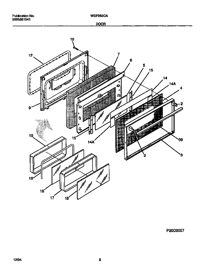
WEF350CASA 05 – DOOR