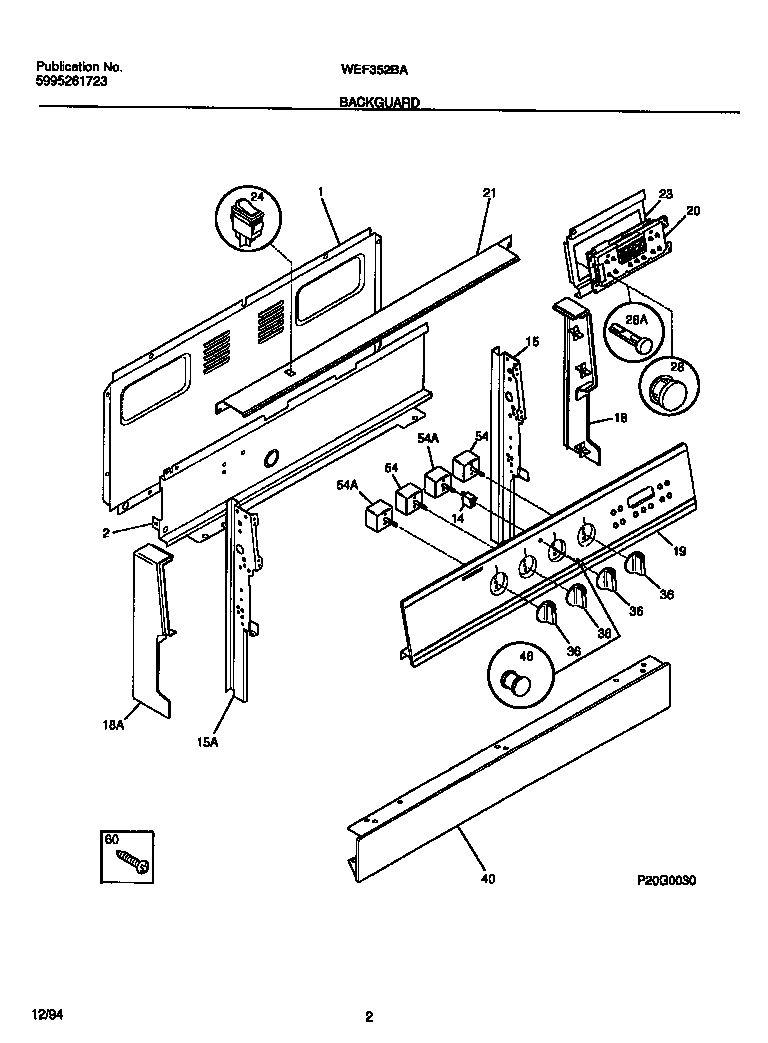
WEF352BADA 02 – BACKGUARDadmin2025-04-26T08:44:47+00:00WEF352BADA 02 – BACKGUARD ProductsPositionProduct1WCI 3160752012WCI 31601590714316022503 Frigidaire Light Lamp P-115AWCI 31602311115WCI 31602311018ACAP-END-LH18CAP-END-RH19WCI 31601471720WCI 31603700021WCI 31601480123WCI 316015007245308015487 Frigidaire Switch-Oven Light28AWCI 31603690028PUSH BUTTON, CLOCK/TIMER/EOC, BLACK36WCI 3160520340WCI 31606232946318228310 Frigidaire Oven Lens54A316436001 Frigidaire Oven Range Infinite Burner Switch545303935086 Frigidaire Oven Top Burner Switch Kit60WCI 530328857460BWCI 530328158460A316021105 Frigidaire Oven Screw