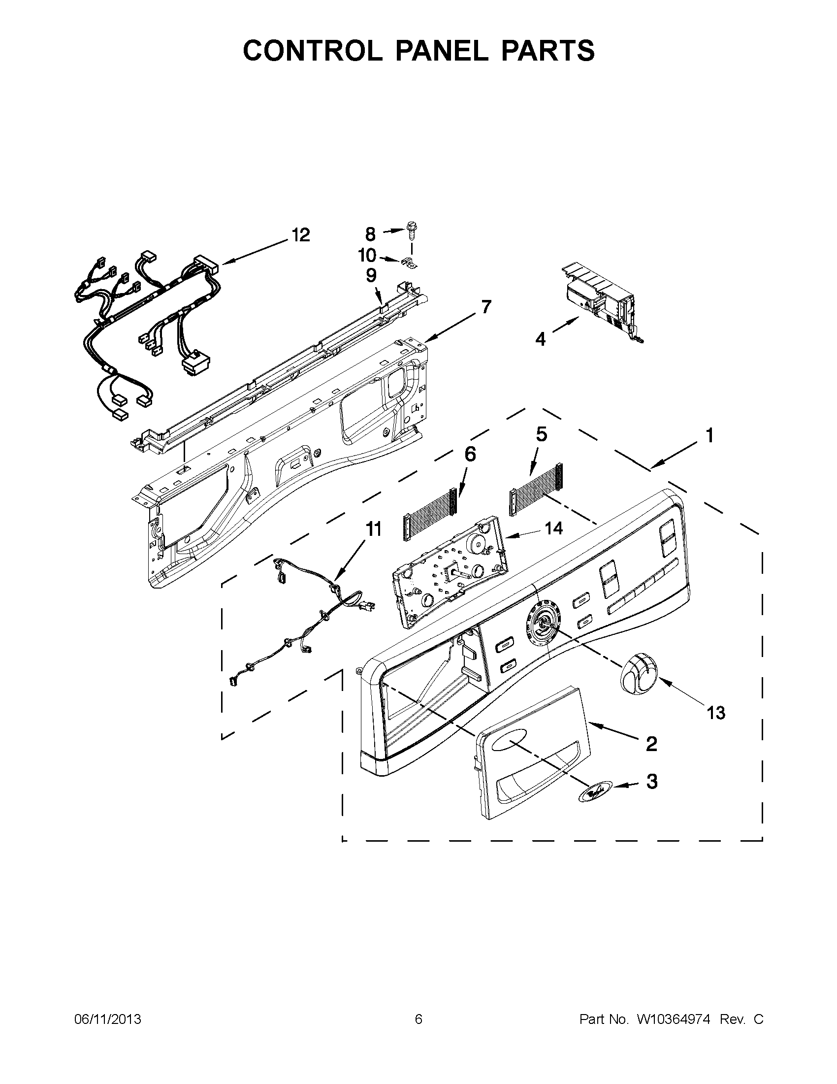
WFW94HEXL0 03 – CONTROL PANEL PARTSadmin2025-04-26T11:55:36+00:00WFW94HEXL0 03 – CONTROL PANEL PARTS ProductsPositionProduct1CONSOLE ASSSEMBLY (WHITE)1CONSOLE ASSSEMBLY (SILVER)1CONSOLE ASSSEMBLY (RED)2HANDLE, DISPENSER DRAWER (INCLUDES BADGE) (RED)2HANDLE, DISPENSER DRAWER (INCLUDES BADGE) (SILVER)2W10839403 Whirlpool Drawer Handle White3Medallion4W10427967 Whirlpool Washer Electronic Control Board + Core5W10267937 Whirlpool Wire Harness6HARNESS, JUMPER UI7W10208197 Whirlpool Bracket8WP489464 Whirlpool Refrigerator Screw9WPW10653575 Whirlpool Channel10W10317566 Whirlpool Clip11W10271989 Whirlpool Wire Harness12HARNESS, WIRING (UPPER MAIN)13WPW10251394 Whirlpool Knob14UI, CENTER (INCLUDES KNOB)