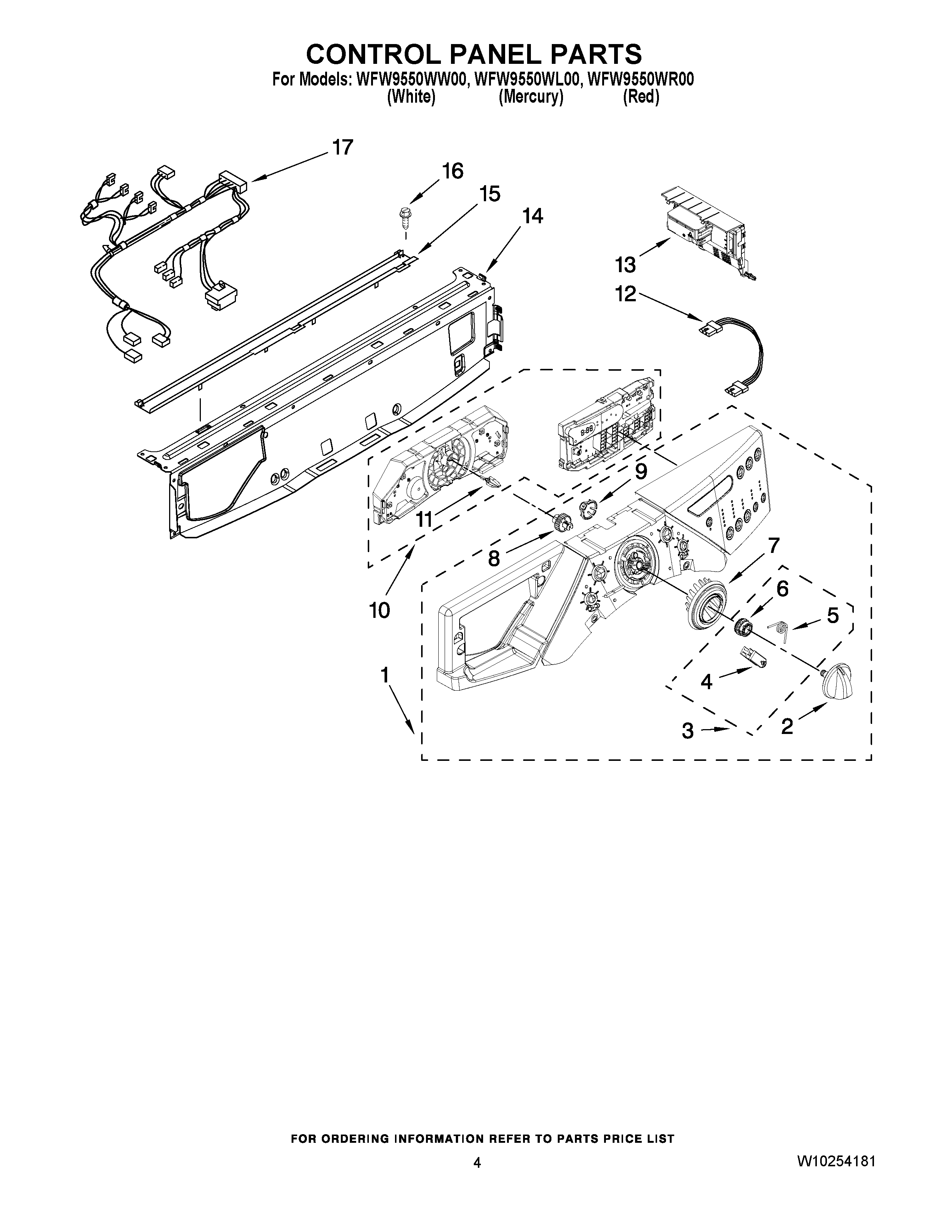
WFW9550WL00 03 – CONTROL PANEL PARTS